Operation CHARM: Car repair manuals for everyone.
Manuals through 2025 now available!

Our trusted friends have launched a new website named LEMON, which has newer manuals. It also contains all the CHARM manuals.

LEMON is the spiritual successor to CHARM, I recommend you try it!

Link: lemon-manuals.la or lemon-manuals.org.ua

(Some people have issue connecting. LEMON is investigating. For now, use Firefox or change your DNS server)

Or, hide this message: temporarily or permanently

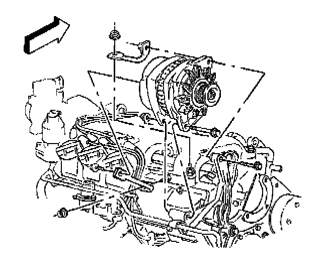
Generator Lamp







The PCM commands the Generator Lamp ON when the engine speed is greater than 1200 rpm and the system voltage falls below 10.0 volts for longer than 5 seconds. The PCM commands the generator ON when the voltage rises above 12.0 volts.