Operation CHARM: Car repair manuals for everyone.
Manuals through 2025 now available!

Our trusted friends have launched a new website named LEMON, which has newer manuals. It also contains all the CHARM manuals.

LEMON is the spiritual successor to CHARM, I recommend you try it!

Link: lemon-manuals.la or lemon-manuals.org.ua

(Some people have issue connecting. LEMON is investigating. For now, use Firefox or change your DNS server)

Or, hide this message: temporarily or permanently

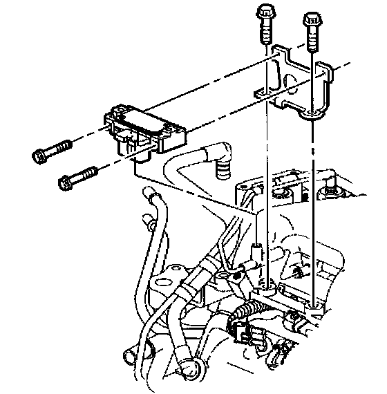
Manifold Pressure/Vacuum Sensor: Service and Repair





REMOVAL PROCEDURE

CAUTION: Refer to Battery Disconnect Caution in Service Precautions.

1. Disconnect the negative battery cable.
2. Remove the attaching bolt/screws.
3. Disconnect the MAP sensor electrical connector.
4. Disconnect the MAP inlet vacuum hose.
5. Remove the MAP sensor from the bracket

INSTALLATION PROCEDURE
1. Install the MAP sensor to the bracket
2. Connect the MAP inlet vacuum hose.
3. Connect the MAP sensor electrical connector

CAUTION: Refer to Battery Disconnect Caution in Service Precautions.

4. Reconnect the negative battery cable.