Operation CHARM: Car repair manuals for everyone.
Manuals through 2025 now available!

Our trusted friends have launched a new website named LEMON, which has newer manuals. It also contains all the CHARM manuals.

LEMON is the spiritual successor to CHARM, I recommend you try it!

Link: lemon-manuals.la or lemon-manuals.org.ua

(Some people have issue connecting. LEMON is investigating. For now, use Firefox or change your DNS server)

Or, hide this message: temporarily or permanently

Powertrain Controls




Power, Ground, MIL and DLC




Ignition System Knock Sensor




Fuel Control




Fuel Injectors




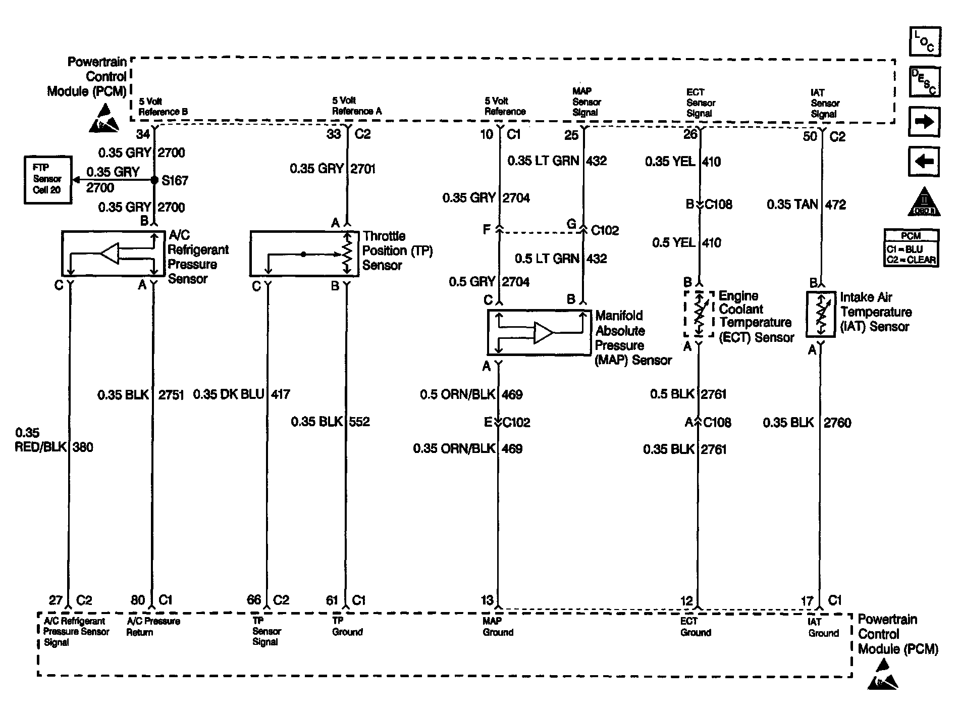
Engine Data Sensors, A/C Pressure, TP, MAP, ECT and IAT Sensors




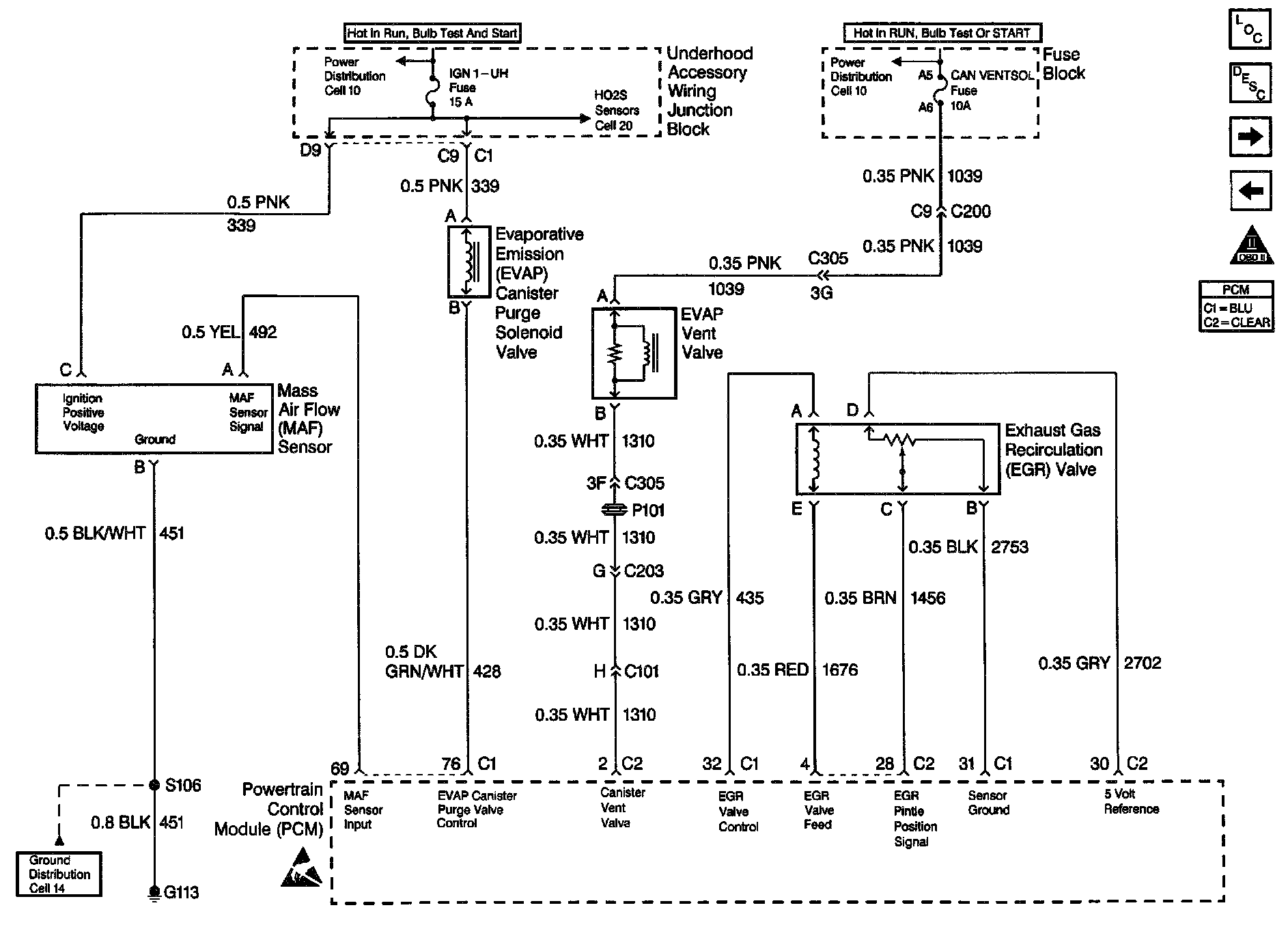
Engine Data Sensors, MAF, EGR and [1][2]EVAP Switch and Valve




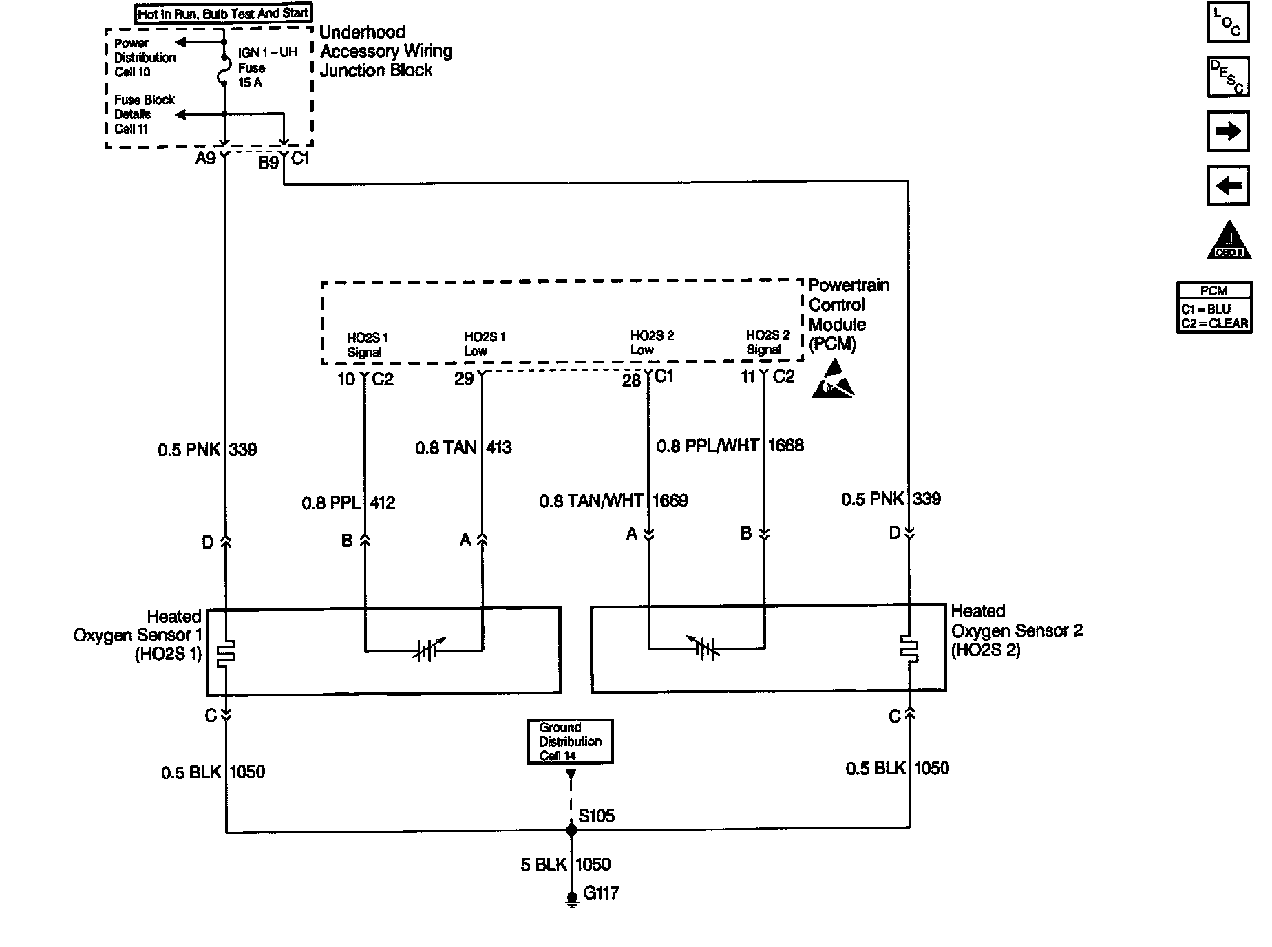
Engine Data Sensors, HO2S1 and HO2S2




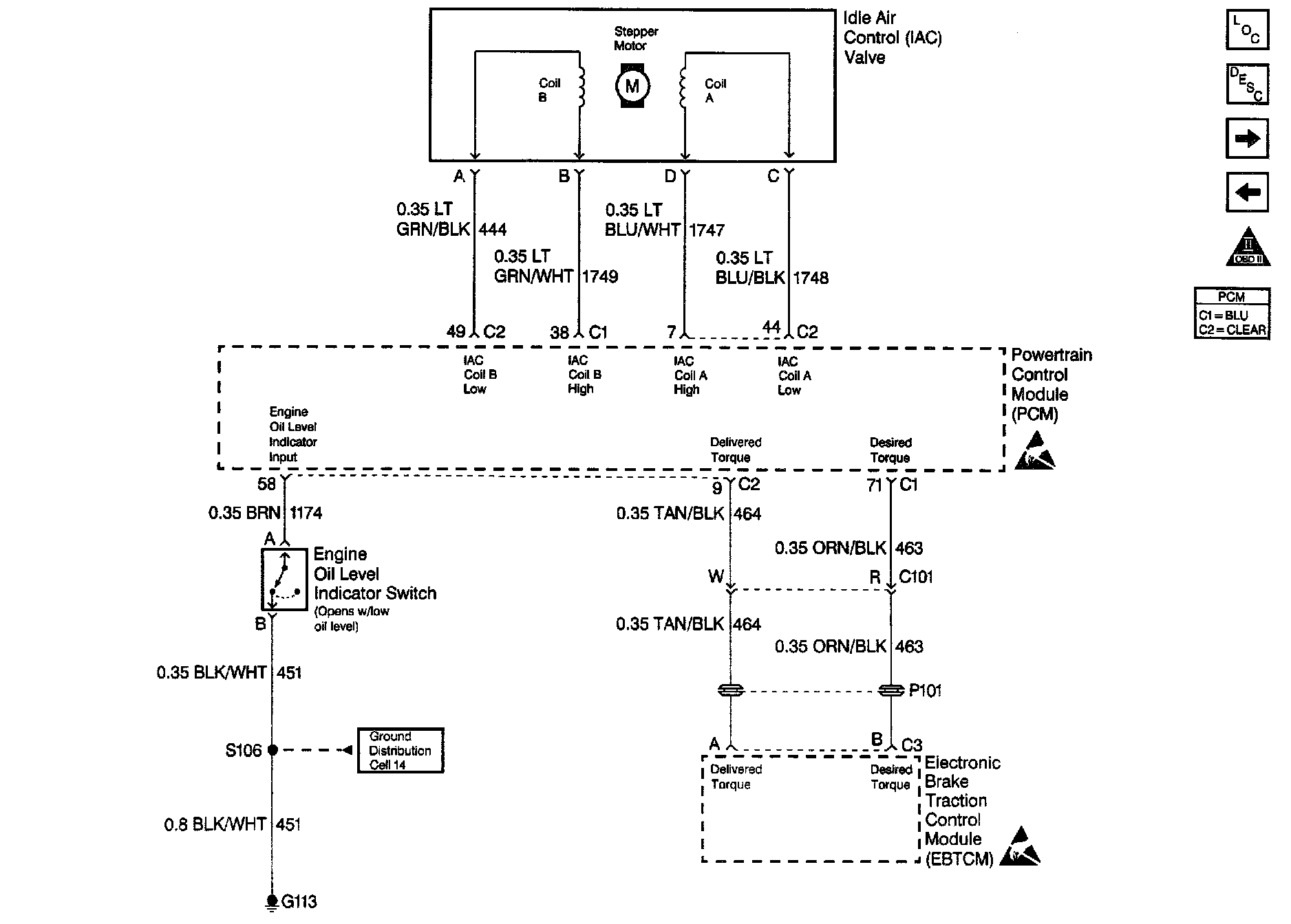
IAC Valve, EBTCM and Engine Oil Level Sensor




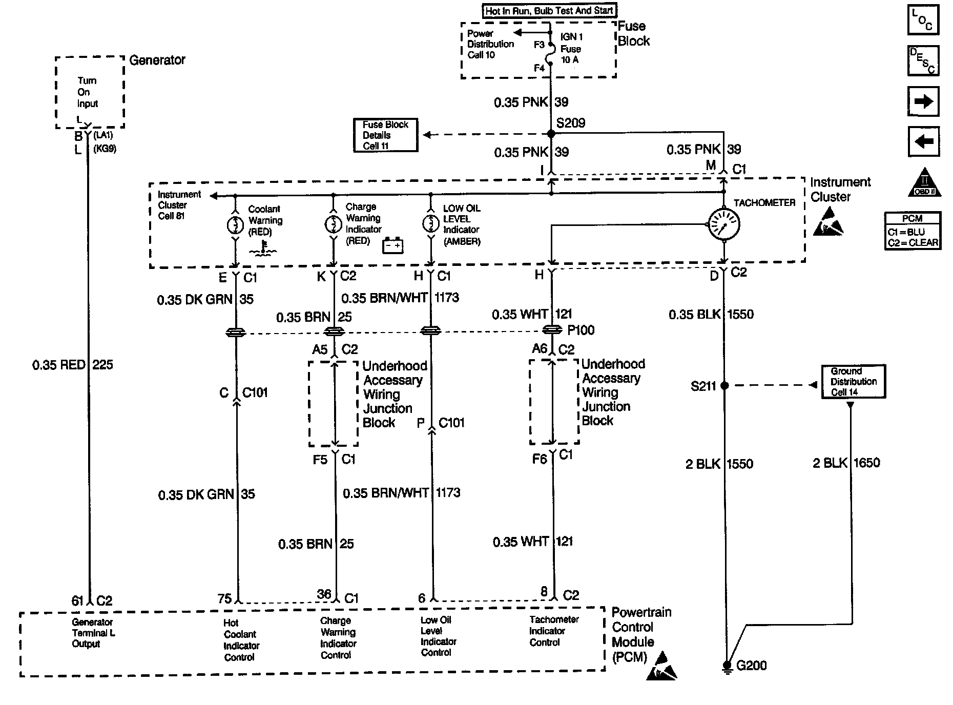
Indicator Lamps




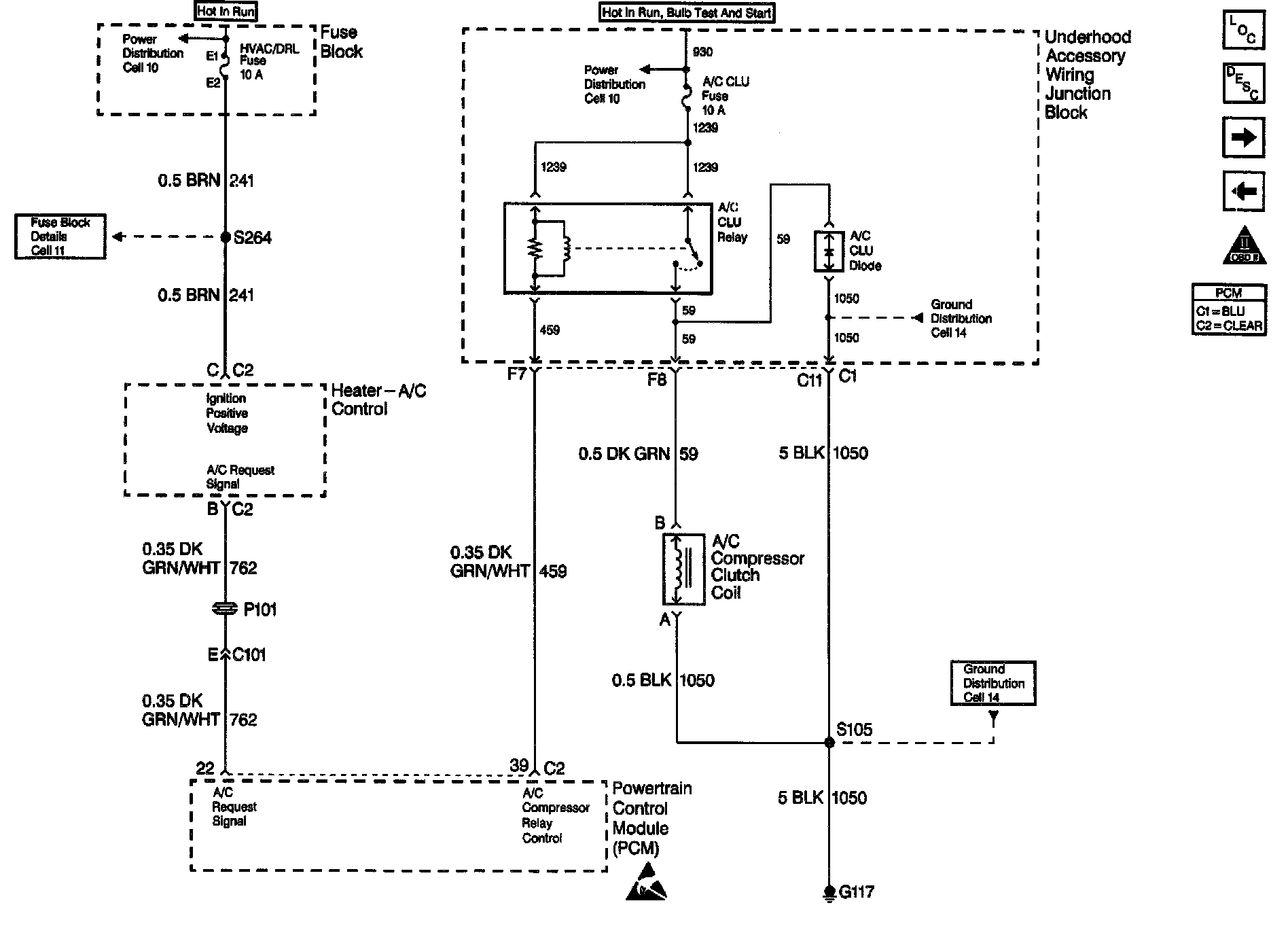
A/C Compressor Controls




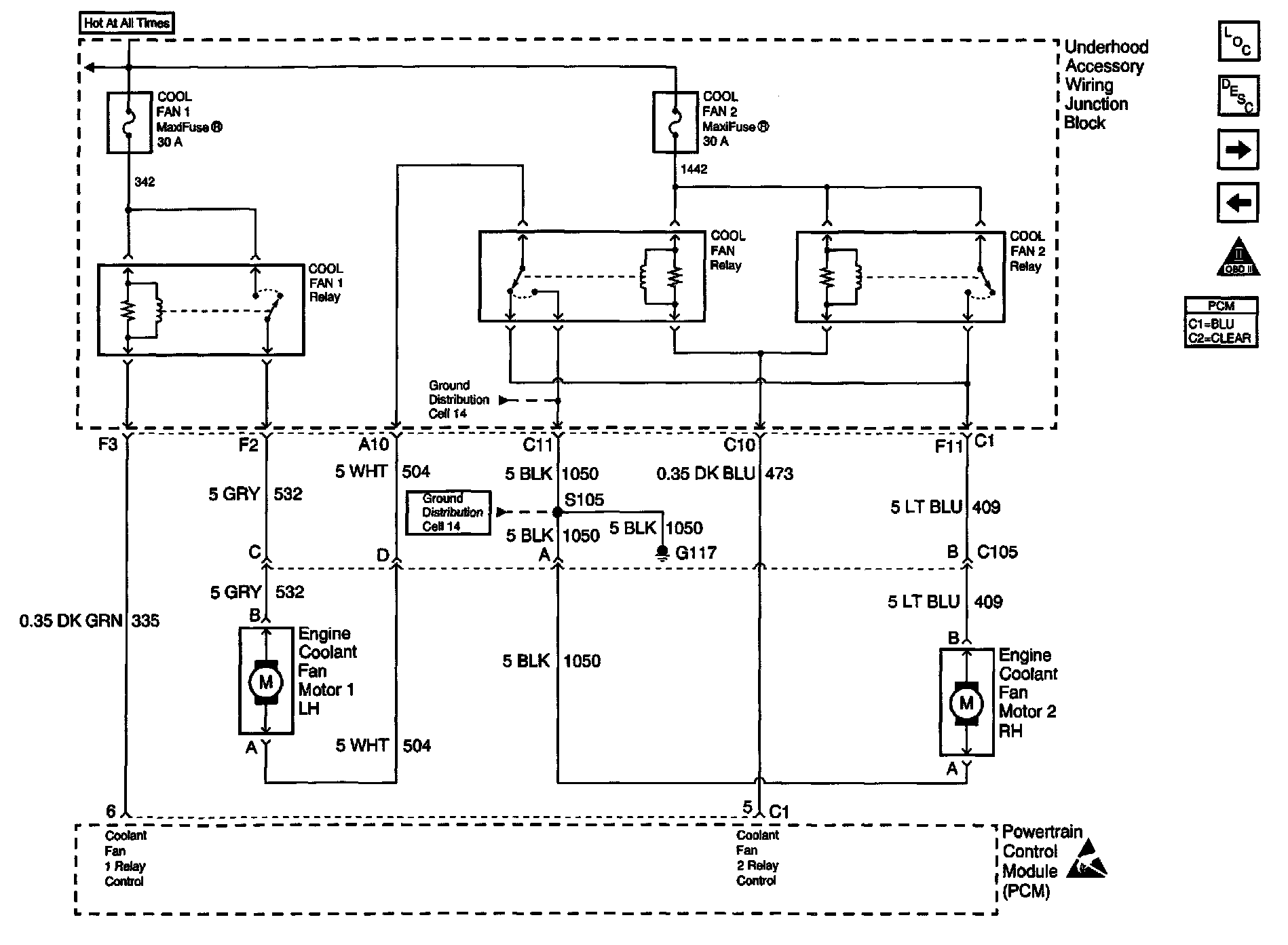
Coolant Fans




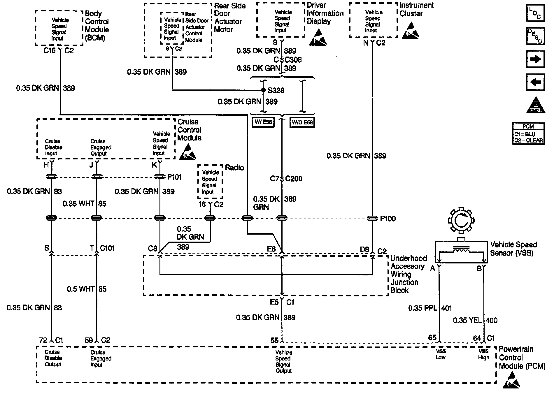
VSS

1 Of 2:




Automatic Transaxle (Part 1 of 2)

2 Of 2:




Automatic Transaxle (Part 2 of 2)




Automatic Transaxle Range Switch