Operation CHARM: Car repair manuals for everyone.
Manuals through 2025 now available!

Our trusted friends have launched a new website named LEMON, which has newer manuals. It also contains all the CHARM manuals.

LEMON is the spiritual successor to CHARM, I recommend you try it!

Link: lemon-manuals.la or lemon-manuals.org.ua

(Some people have issue connecting. LEMON is investigating. For now, use Firefox or change your DNS server)

Or, hide this message: temporarily or permanently

Starter Motor: Service and Repair

REMOVAL PROCEDURE

CAUTION: Refer to Battery Disconnect Caution in Service Precautions.




1. Disconnect the battery negative cable.
2. Raise the vehicle. Refer to Lifting and Jacking the Vehicle in General Information.
3. Remove the starter motor mounting bolts.
4. Remove any shims previously used.
5. Lower the starter motor.




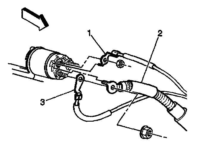
6. Disconnect the starter enable relay lead (1) the battery battery positive cable (2), and the generator output (BAT) lead (3) from the starter solenoid field leads.
7. Remove the starter motor.


INSTALLATION PROCEDURE

NOTE: Refer to Fastener Notice in Service Precautions.




1. Connect the starter motor field leads to the starter motor as follows:
1.1. Loosely install the starter enable relay lead (1) to the starter solenoid terminal. Align the terminal retaining tab to the starter solenoid.
1.2. Loosely install generator output (BAT) lead (3) and the battery positive cable (2) to the solenoid terminal.
Align the battery positive cable terminal retaining tab to the starter solenoid.

Tighten
^ Tighten the starter enable relay lead nut to 2 N.m (18 lb in)
^ Tighten the battery positive cable nut to 19 N.m (14 lb ft)




2. Install the two starter motor mounting bolts and the shims (if necessary) through the starter to the engine.

Tighten
Tighten the bolts to 43 N.m (32 lb ft).

3. Lower the vehicle.
4. Connect the battery negative cable.