Operation CHARM: Car repair manuals for everyone.
Manuals through 2025 now available!

Our trusted friends have launched a new website named LEMON, which has newer manuals. It also contains all the CHARM manuals.

LEMON is the spiritual successor to CHARM, I recommend you try it!

Link: lemon-manuals.la or lemon-manuals.org.ua

(Some people have issue connecting. LEMON is investigating. For now, use Firefox or change your DNS server)

Or, hide this message: temporarily or permanently

Radiator Support Replacement (Base)



Radiator Support Replacement (Base)

Removal Procedure

Caution: Refer to Battery Disconnect Caution in Service Precautions.

1. Disconnect the negative battery cable(s).
2. Disable the supplemental inflatable restraint (SIR). Refer to Disabling the SIR System in Restraint Systems.
3. Remove the air intake duct.
4. Remove the grille.
5. Remove the front bumper.
6. Remove the inflatable restraint front end discriminating sensor.
7. Remove the headlamps.
8. Remove the park/turn signal lamp assemblies.
9. Remove the hood latch release bracket and reposition the release cable.




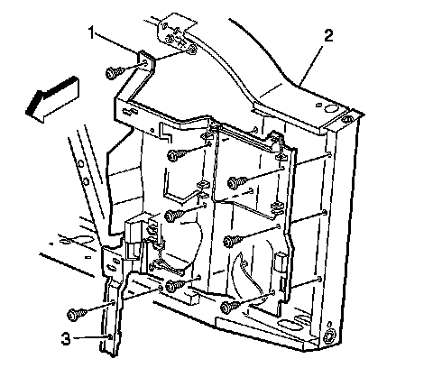
10. Unscrew the headlamp housing support (1) from the radiator support (2). The 15 series lower mounting position is shown. The 25 series mounting position is similar.
11. Disconnect the horn electrical connector.
12. Remove the radiator.
13. Remove the auxiliary transmission oil cooler (if equipped).
14. Remove the air baffles.
15. Remove the power steering cooler mounting bolts and reposition the cooler.




16. Disconnect the electrical connector from the automatic recirculation switch.
17. Remove the A/C condenser, if equipped.




18. Remove the upper washer reservoir bolt (1) from the radiator support (2).
19. Remove the battery tray.




20. Remove the lower washer reservoir bolt (1) from the radiator support (2).




21. Remove the battery tray support.




22. Remove the front upper and lower fender bolts (1) from the radiator support (2). The left fender is shown, the right is similar. Refer to Front Fender Replacement.




23. Remove the lower radiator support nut and bolt at the frame (1).




24. Remove the radiator support baffle (2).
25. Remove the radiator support (1) from the frame.
26. Remove the horn(s) from the radiator support.



Installation Procedure

1. Install the horn(s) onto the radiator support.




2. Position the radiator support (1) onto the frame.
3. Install the radiator support baffle (2).

Notice: Refer to Fastener notice in Service Precautions.





4. Install the lower radiator support nut and bolt at the frame (1).

Tighten the radiator support nut to 70 N.m (52 lb ft).





5. Install the front upper and lower fender bolts (1) to the radiator support (2). The left fender is shown, the right is similar.

Tighten the front fender bolts to 25 N.m (18 lb in).





6. Install the battery tray support.

Tighten the battery tray support bolts to 9 N.m (80 lb in).

7. Install the battery tray.




8. Install the lower washer reservoir bolt (1) to the radiator support (2).

Tighten the washer reservoir bolt to 9 N.m (80 lb in).





9. Install the upper washer reservoir bolt (1) to the radiator support (2).

Tighten the reservoir bolt to 9 N.m (80 lb in).

10. Install the a/c condenser, if equipped.




11. Connect the electrical connector to the automatic recirculation switch.
12. Reposition the power steering cooler and install the mounting bolts. Refer to Power Steering Hoses Replacement (With Hydraulic Boost) Power Steering Hoses Replacement (Without Hydraulic Boost) Power Steering Hoses Replacement (Rack and Pinion) in Power Steering System.
13. Install the air baffles.
14. Install the auxiliary transmission oil cooler (if equipped).
15. Install the radiator.
16. Connect the horn electrical connector.




17. Install the headlamp housing support (1) to the radiator support (2). The 15 series lower mounting position is shown. The 25 series mounting position is similar.

Tighten the screws to 9 N.m (80 lb in).

18. Install the hood latch release bracket and cable.
19. Install the park/turn signal lamp assemblies.
20. Install the headlamps.
21. Install the inflatable restraint front end discriminating sensor.
22. Install the front bumper.
23. Install the grille.
24. Install the air intake duct. Refer to the appropriate procedure:

* Air Cleaner Assembly Replacement in Computers and Control Systems - 4.3L
* Air Cleaner Assembly Replacement in Computers and Control Systems - 4.8L, 5.3L and 6.3L

25. Enable the SIR. Refer to Enabling the SIR System in Restraint Systems.
26. Connect the negative battery cable. Perform the Idle Learn Procedure for 4.8L, 5.3L, and 6.0L engines only.