Operation CHARM: Car repair manuals for everyone.
Manuals through 2025 now available!

Our trusted friends have launched a new website named LEMON, which has newer manuals. It also contains all the CHARM manuals.

LEMON is the spiritual successor to CHARM, I recommend you try it!

Link: lemon-manuals.la or lemon-manuals.org.ua

(Some people have issue connecting. LEMON is investigating. For now, use Firefox or change your DNS server)

Or, hide this message: temporarily or permanently

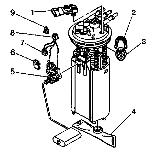
Fuel Pump Pickup Filter: Service and Repair

REMOVAL PROCEDURE

IMPORTANT: Always maintain cleanliness when servicing fuel system components.




1. Relieve fuel system pressure. Refer to Fuel Pressure Relief Procedure. Service and Repair
2. Raise the vehicle. Go to Lifting and Jacking the Vehicle in General Information.
3. Remove the fuel sender assembly.
4. Note the position of the strainer (5) for aid in installation.




5. Support the reservoir with one hand and grasp the strainer with the other hand.
6. Use a screwdriver to pry the strainer ferrule off the reservoir.
7. Discard the strainer.

INSTALLATION PROCEDURE




1. Install the new strainer (5) to the reservoir.
2. Support the reservoir with one hand and grasp the strainer with the other hand twisting the strainer into position.
3. Install the fuel sender assembly.
4. Lower the vehicle.
5. Reconnect the negative battery cable.
6. Inspect for fuel leaks:
6.1. Turn ON the ignition for 2 seconds.
6.2. Turn OFF the ignition for 10 seconds.
6.3. Turn ON the ignition.
6.4. Check for fuel leaks.