Operation CHARM: Car repair manuals for everyone.
Manuals through 2025 now available!

Our trusted friends have launched a new website named LEMON, which has newer manuals. It also contains all the CHARM manuals.

LEMON is the spiritual successor to CHARM, I recommend you try it!

Link: lemon-manuals.la or lemon-manuals.org.ua

(Some people have issue connecting. LEMON is investigating. For now, use Firefox or change your DNS server)

Or, hide this message: temporarily or permanently

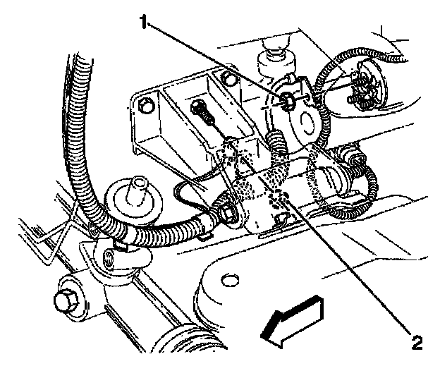
Ground Strap: Service and Repair

REMOVAL PROCEDURE






1. On the 3.8 L engine remove the positive/negative cable from the engine mount stud.
^ Remove the positive cable Radio Frequency (RF) ground nut (2).
^ Remove the harness clamp from the stud.
^ Remove the RF ground strap.






2. On the 5.7 L engine, remove the engine wiring harness ground bolt from the block (1).
3. Disconnect and reposition the oxygen sensor electrical connector.






4. Remove the wiring harness ground bolt and RF ground strap and cruise control ground lead from the frame rail.
5. Remove the tape attaching the ground strap to the wiring harness.
6. Remove the ground strap from the vehicle.

INSTALLATION PROCEDURE






1. Install the ground strap to the vehicle.
2. Wrap new tape around the ground strap and the wiring harness.

NOTE: Refer to Fastener Notice in Service Precautions.

3. Install the wiring harness ground bolt and RF ground strap and cruise control ground lead to the frame rail.

Tighten
Tighten the wiring harness ground bolt to 12 N.m (106 lb in).






4. On the 5.7 L engine, connect and position the oxygen sensor electrical connector.
5. Install the engine wiring harness ground bolt (1) to the block.

Tighten
Tighten the engine wiring harness ground bolt (1) to 25 N.m (18 lb ft).






6. On the 3.8 L engine, install the positive/negative cable to the engine mount stud.
^ Install the RF ground strap.
^ Install the harness clamp from the stud.
^ Install the positive cable RF ground nut (2).

Tighten
Tighten the positive cable RF ground nut (2) to 25 N.m (18 lb ft).