Operation CHARM: Car repair manuals for everyone.
Manuals through 2025 now available!

Our trusted friends have launched a new website named LEMON, which has newer manuals. It also contains all the CHARM manuals.

LEMON is the spiritual successor to CHARM, I recommend you try it!

Link: lemon-manuals.la or lemon-manuals.org.ua

(Some people have issue connecting. LEMON is investigating. For now, use Firefox or change your DNS server)

Or, hide this message: temporarily or permanently

Positive: Service and Repair

REMOVAL PROCEDURE
1. Remove the battery.






2. Remove the positive cable from the stud on the fuseblock:
^ Open the positive cable cap.
^ Remove the positive cable to fuseblock stud nut.
^ Remove the positive cable from the fuseblock stud.






3. Remove the positive cable from the rosebud clip at the power steering reservoir.






4. Remove the wiring harness ground bolt and Radio Frequency (RF) ground strap and cruise control ground lead from the front rail.






5. Remove the positive cable from the generator:
^ Slide the boot down revealing the positive terminal stud.
^ Remove the positive cable nut from the generator input stud.
^ Remove the positive cable.
6. Remove the positive cable rosebud clip from the engine lift bracket.






7. Remove the positive cable rosebud clips from the cooling fans.
8. Raise and suitably support the vehicle. Refer to Lifting and Jacking the Vehicle in General Information.






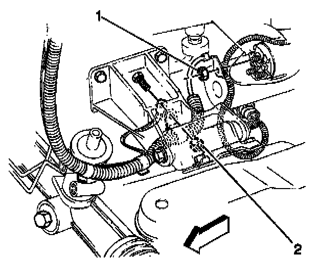
9. Remove the positive/negative cable from the engine mount stud:
^ Remove the positive cable RF ground nut (2).
^ Remove the harness clamp from the stud.
^ Remove the RF ground strap.
10. Remove the starter motor shield.
11. Remove the positive cable from the starter solenoid:
^ Remove the positive cable to starter motor nut (1).
^ Remove the positive cable from the harness conduit.

INSTALLATION PROCEDURE






1. Install the positive cable to the harness conduit.

NOTE: Refer to Fastener Notice in Service Precautions.

2. Install the positive cable to starter motor nut (1).

Tighten
Tighten the positive cable to starter motor nut (1) to 10 N.m (89 lb in).

3. Install the starter motor shield.
4. Install the positive/negative cable to the engine mount stud:
^ Install the RF ground strap.
^ Install the harness clamp to the stud.
^ Install the positive cable RF ground nut (2).

Tighten
Tighten the positive cable RF ground nut to 25 N.m (18 lb ft).






5. Install the wiring harness bolt and RF ground strap and cruise control ground lead to the front rail.

Tighten
Tighten the wiring harness ground bolt to 12 N.m (106 lb in).






6. Install the positive cable rosebud clip at the power steering reservoir.
7. Lower the vehicle.






8. Install the positive cable rosebud clips at the cooling fans.
9. Install the positive cable rosebud clip to the engine lift bracket.






10. Install the positive cable to the generator.
^ Install the positive cable to the stud.
^ Install the positive cable nut to the generator output stud.

Tighten
Tighten the positive cable nut to generator output stud to 22 N.m (16 lb ft).

^ Slide the boot over the generator output stud.






11. Install the positive cable to the stud on the fuseblock:
^ Install the positive cable to the fuseblock stud.
^ Install the positive cable to fuseblock stud nut.

Tighten
Tighten the positive cable to fuseblock stud nut to 14 N.m (10 lb ft).

^ Close the positive cable cap.

12. Install the battery.