Operation CHARM: Car repair manuals for everyone.
Manuals through 2025 now available!

Our trusted friends have launched a new website named LEMON, which has newer manuals. It also contains all the CHARM manuals.

LEMON is the spiritual successor to CHARM, I recommend you try it!

Link: lemon-manuals.la or lemon-manuals.org.ua

(Some people have issue connecting. LEMON is investigating. For now, use Firefox or change your DNS server)

Or, hide this message: temporarily or permanently

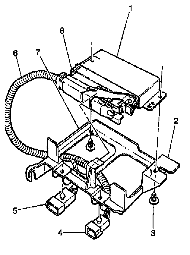
Lateral Accelerometer: Service and Repair

Removal Procedure





1. Disconnect the fasteners on the lower sound insulator panel under the steering column.
2. Remove the lower sound insulator panel from the vehicle.
3. Remove the left side kick panel on vehicles equipped with a manual transmission.
4. Remove the bolt attaching the ASM bracket to the upper I/P.
5. Remove the push in retainer attaching the ASM bracket to the side wall.
6. Remove the ASM bracket along with the ASM from the mounting place (1,2).
7. Disconnect the ASM harness connector).
8. Remove the ASM to ASM bracket mounting screws (3).
9. Remove the ASM and ASM bracket from the vehicle (1,2).


Installation Procedure





1. Install the ASM to the ASM mounting bracket (1,2).
2. Install the ASM to ASM bracket screws (3).
3. Connect the ASM harness connector.
4. Install the ASM and ASM bracket in the mounting place.
5. Install the push in retainer attaching the ASM bracket to the side wall.
6. Install the bolt attaching the ASM bracket to the upper I/P.
7. Install the left side kick panel on vehicles equipped with a manual transmission.
8. Install the lower sound insulator panel in the vehicle.
9. Install the fasteners on the lower sound insulator panel under the steering column.