Operation CHARM: Car repair manuals for everyone.
Manuals through 2025 now available!

Our trusted friends have launched a new website named LEMON, which has newer manuals. It also contains all the CHARM manuals.

LEMON is the spiritual successor to CHARM, I recommend you try it!

Link: lemon-manuals.la or lemon-manuals.org.ua

(Some people have issue connecting. LEMON is investigating. For now, use Firefox or change your DNS server)

Or, hide this message: temporarily or permanently

Radiator Support Replacement


Removal Procedure





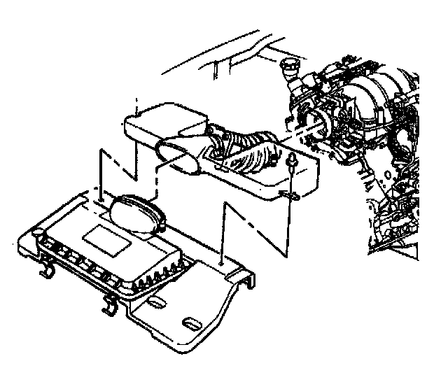
1. Disconnect the intake air temperature (IAT) and mass airflow (MAP) sensors electrical connectors, if equipped with the 5.7 L engine.





2. Remove the air intake duct resonator, if equipped with the 5.7 L engine.





3. Disconnect the intake air temperature (IAT) sensor electrical connector, if equipped with the 3.8 L engine.





4. Remove the air intake duct resonator, if equipped with the 3.8 L engine.





5. Release the retaining strap latches.
6. Lift the top of the air cleaner housing off.
7. Remove the air filter element.





8. Remove the air cleaner/radiator support bolts.
9. Remove the radiator support.

Installation Procedure





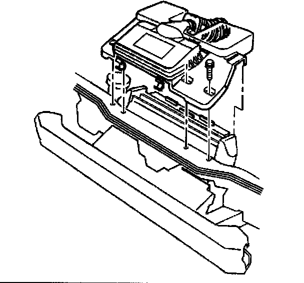
1. Install the radiator support.

Notice: Refer to Fastener Notice in Service Precautions.

2. install the air cleaner / radiator support bolts
^ Tighten the air cleaner bolts to 12 Nm (106 inch lbs.).





3. Install the air intake duct resonator, if equipped with the 3.8 L engine.





4. Connect the IAT sensor electrical connector, if equipped with the 3.8 L engine.





5. Install the air intake duct resonator, if equipped with the 5.7 L engine.





6. Connect the IAT and the MAP sensors electrical connectors, if equipped with the 5.7 L engine.