Operation CHARM: Car repair manuals for everyone.
Manuals through 2025 now available!

Our trusted friends have launched a new website named LEMON, which has newer manuals. It also contains all the CHARM manuals.

LEMON is the spiritual successor to CHARM, I recommend you try it!

Link: lemon-manuals.la or lemon-manuals.org.ua

(Some people have issue connecting. LEMON is investigating. For now, use Firefox or change your DNS server)

Or, hide this message: temporarily or permanently

Timing Cover: Service and Repair


Removal Procedure





1. Raise and suitably support the vehicle. Refer to Vehicle Lifting.
2. Remove the cooling fan electrical connectors.
3. Remove the harness rosebud clips from the fan shroud.
4. Drain the cooling system.
5. Lower the vehicle.





6. Disconnect the intake air temperature (IAT) sensor electrical connector.
7. Disconnect the mass airflow (MAP) sensor electrical connector.





8. Remove the air intake duct.
9. Remove the air conditioning (A/C) drive belt. Refer to Drive Belt Replacement - A/C.





10. Remove the upper radiator hose from the water pump.





11. Remove the radiator hose from the water inlet housing.





12. Remove the two heater hoses from the water pump.





13. Remove the upper radiator support.





14. Remove the fan shroud.
15. Remove the drive belt tensioner. Refer to Drive Belt Tensioner Replacement - Accessory.





16. Remove the overflow hose from the radiator.





17. Remove the throttle body heater hose from the radiator.
18. Remove the drive belt idler pulley. Refer to Drive Belt Idler Pulley Replacement - Accessory.
19. Remove the water pump.
20. Raise and suitably support the vehicle. Refer to Vehicle Lifting.
21. Remove the crankshaft balancer. Refer to Crankshaft Balancer Replacement.





22. Remove the oil pan-to-front cover bolts.

Important: Do not slide the front cover/gasket across the oil pan gasket or damage could result.





23. Remove the front cover-to-engine block bolts.
24. Remove the front cover and gasket.
25. Discard the front cover gasket.
26. Remove the crankshaft oil seal from the cover.
27. Discard the oil seal.

Installation Procedure

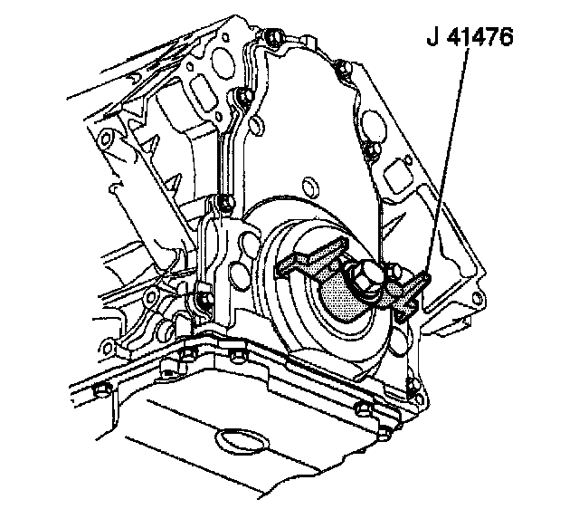
- Tools Required
- J 41476 Front/Rear Cover Alignment-Crankshaft Oil Seal Area

Important:
- Do not reuse the crankshaft oil seal or front cover gasket.
- Do not slide the front cover/gasket across the oil pan gasket
- The special tool in this procedure is used to properly align the crankshaft front oil seal.
- The crankshaft front oil seal MUST be centered in relation to the crankshaft.
- An improperly aligned front cover may cause premature front oil seal wear and/or engine oil leaks.





1. Install a NEW crankshaft oil seal to the front cover.
2. Apply a 5 mm (0.20 inch) bead of sealant GM P/N 12378190 to the corner where the oil pan meets the engine block.
3. Install the front cover, gasket and bolts on to the engine.
4. Install the front cover bolts finger tight. Do not overtighten.





5. Install the oil pan-to-front cover bolts until snug in order to position the cover at the pan rail.





6. Install the J 41476 to the front cover.
7. Align the tapered legs of the J 41476 with the machined alignment surfaces on the front cover.
8. Install the crankshaft balancer bolt until snug. Do not overtighten.

Notice: Refer to Fastener Notice in Service Precautions.

9. Tighten the oil pan bolts in the following order:
9.1.Tighten the oil pan-to-front cover bolts to 25 Nm (18 lb ft).
9.2.Tighten the engine front cover bolts to 25 Nm (18 lb ft).
10. Remove the J 41476.
11. Install the crankshaft balancer. Refer to Crankshaft Balancer Replacement.
12. Lower the vehicle.
13. Install the water pump.
14. Install the drive belt idler pulley. Refer to Drive Belt Idler Pulley Replacement - Accessory.





15. Install the throttle body heater hose to the radiator.





16. Install the overflow hose to the radiator.
17. Install the drive belt tensioner. Refer to Drive Belt Tensioner Replacement - Accessory.





18. Install the fan shroud.





19. Install the upper radiator support.
- Tighten the radiator support/air cleaner bolts to 12 Nm (106 lb in).





20. Install the lower radiator hose to the water inlet housing.





21. Install the upper radiator hose to the water pump.





22. Install the two heater hoses from the water pump.
23. Install the A/C drive belt. Refer to Drive Belt Replacement - A/C.





24. Install the air intake duct.





25. Connect the MAP sensor electrical connector.
26. Connect the IAT sensor electrical connector.
27. Refill the cooling system.





28. Install the electrical connectors to the fan shroud. 29. Install the rosebud clips to the fan shroud.