Operation CHARM: Car repair manuals for everyone.
Manuals through 2025 now available!

Our trusted friends have launched a new website named LEMON, which has newer manuals. It also contains all the CHARM manuals.

LEMON is the spiritual successor to CHARM, I recommend you try it!

Link: lemon-manuals.la or lemon-manuals.org.ua

(Some people have issue connecting. LEMON is investigating. For now, use Firefox or change your DNS server)

Or, hide this message: temporarily or permanently

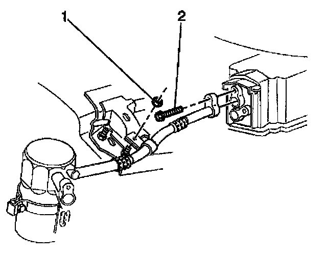
Accumulator HVAC: Service and Repair

ACCUMULATOR REPLACEMENT

REMOVAL PROCEDURE




1. Recover the refrigerant.
2. Disconnect the air conditioning (A/C) compressor and condenser hose bolt at the accumulator.
3. Remove the accumulator bolt (2) at the module.
4. Remove the accumulator hose bracket nut (1) at the strut tower.
5. Remove the accumulator bracket bolt.
6. Remove the accumulator from the bracket.
7. Discard the O-rings.

INSTALLATION PROCEDURE




1. Before installing a new, or reinstalling the old accumulator perform the following:
1.1. Drain, measure and record the amount of Poly-Alkylene Glycol (PAG) oil in the accumulator that was removed.
1.2. Add 60 ml (2 oz) of new, clean PAG oil MORE than the amount drained from the removed accumulator.
2. Install the new O-ring.
3. Install the accumulator to the bracket.

NOTE: Refer to Fastener Notice in Service Precautions.

4. Install the accumulator bracket bolt.

Tighten
Tighten the accumulator bracket bolt to 6 N.m (53 lb in).
5. Install the accumulator hose bracket nut (1) at the strut tower.

Tighten
Tighten the accumulator hose bracket nut (1) at the strut tower to 8 N.m (71 lb in).

6. Install the accumulator bolt (2) at the module.

Tighten
Tighten the accumulator bolt (2) at the module to 16 N.m (12 lb ft).

7. Connect the A/C compressor and condenser hose bolt at the accumulator.

Tighten
Tighten the A/C compressor and condenser hose bolt at the accumulator to 16 N.m (12 lb ft).

8. Recharge the A/C system.
9. Perform a leak test on the A/C system.