Operation CHARM: Car repair manuals for everyone.
Manuals through 2025 now available!

Our trusted friends have launched a new website named LEMON, which has newer manuals. It also contains all the CHARM manuals.

LEMON is the spiritual successor to CHARM, I recommend you try it!

Link: lemon-manuals.la or lemon-manuals.org.ua

(Some people have issue connecting. LEMON is investigating. For now, use Firefox or change your DNS server)

Or, hide this message: temporarily or permanently

Component Tests and General Diagnostics


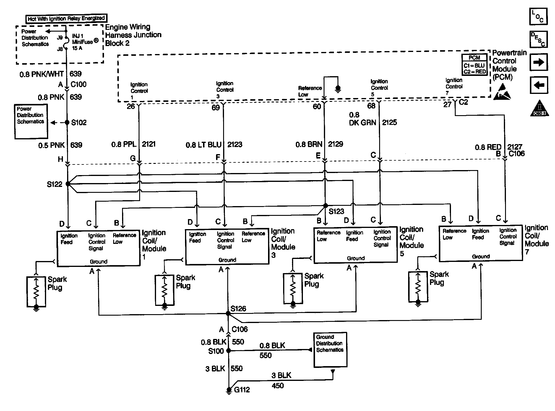
Engine Controls Schematics: Ignition Modules/Coils, Bank 1:






CIRCUIT DESCRIPTION
A Crankshaft Position (CKP) sensor determines the engine crankshaft position. The sensor is mounted and protrudes into the rear of the engine block. The sensor is near a slotted wheel on the crankshaft. The rotation of the slotted wheel causes a magnetic flux change in the sensor. This produces a voltage signal from the electronic Ignition Control Module (ICM). The signal creates the reference pulses needed by the Powertrain Control Module (PCM). These signals trigger the correct ignition coil to fire, at the correct time.

The ignition system on this engine uses an individual ignition coil/module for each cylinder. The PCM controls the ignition system operation. There are eight Ignition Control (IC) circuits, one per cylinder, that connect the PCM and the ignition coil/modules. Each ignition coil/module has a power feed, a chassis ground circuit, and a reference low circuit. The PCM causes a spark to occur by grounding the IC circuit, which signals the ignition module to trigger the ignition coil and fire the spark plug. The PCM controls the sequencing and timing.

DIAGNOSTIC AIDS

IMPORTANT:
^ Remove any debris from the PCM connector surfaces before servicing the PCM. Inspect the PCM connector gaskets when diagnosing/replacing the PCM. Ensure that the gaskets are installed correctly. The gaskets prevent water intrusion into the PCM.
^ For any test that requires probing the PCM or component harness connectors, use the Connector Test Adapter kit J 35616-A. Using this kit prevents any damage to the harness connector terminals. Refer to Using Connector Test Adapters in Diagrams.

The following may cause an intermittent:
^ Inspect for poor connections. Refer to Testing for Intermittent and Poor Connections in Diagrams.
^ Corrosion
^ Mis-routed harness
^ Rubbed through wire insulation
^ Broken wire inside the insulation

Using Freeze Frame and/or Failure Records data may aid in locating an intermittent condition. If you cannot duplicate the condition, the information included in the Freeze Frame and/or Failure Records data can help determine how many miles since the condition occurred. Operate vehicle within the same freeze frame conditions (RPM, load, vehicle speed, temperature etc.) that you observed. This will isolate when the condition occurred.

For an intermittent condition, refer to Symptoms. Symptom Related Diagnostic Procedures

TEST DESCRIPTION

Steps 1 - 2:





Steps 4 - 11:





Steps 12 - 22:






The numbers below refer to the step numbers on the diagnostic table.
3. Monitoring the Misfire Current Counters determines if a fault is present.
4. A good indication that the fuse is open is more than 2 of the Misfire Current Counters are incrementing on one side of the engine. Inspect the ignition feed circuit for a grounded circuit.
8. If the fuse is open and no condition can be found with the ignition coil/module circuits, inspect the injector circuits for being grounded. The INJ1 fuse and INJ2 fuse feed the ignition coil/module circuits and injector circuits.