Operation CHARM: Car repair manuals for everyone.
Manuals through 2025 now available!

Our trusted friends have launched a new website named LEMON, which has newer manuals. It also contains all the CHARM manuals.

LEMON is the spiritual successor to CHARM, I recommend you try it!

Link: lemon-manuals.la or lemon-manuals.org.ua

(Some people have issue connecting. LEMON is investigating. For now, use Firefox or change your DNS server)

Or, hide this message: temporarily or permanently

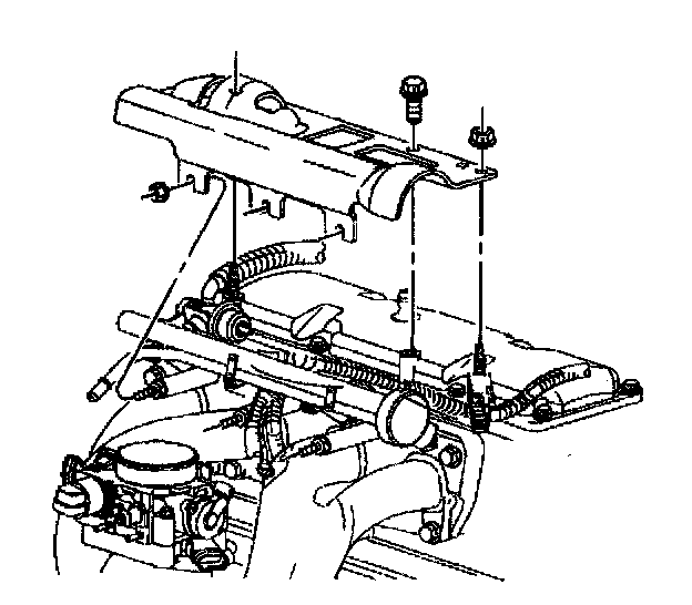
Intake Manifold: Service and Repair

Removal Procedure





1. Relieve the fuel system pressure. Refer to Fuel Pressure Relief Procedure.
2. Remove the air cleaner inlet duct (1).





3. Remove the resonator.





4. Remove the resonator bracket.





5. Remove the following cables:
^ The accelerator (2)
^ The cruise control (1)
6. Disconnect the vacuum hoses at the throttle body.





7. Remove the MAP sensor.





8. Remove the TP sensor.





9. Remove the IAC sensor.





10. Remove the two bolts attaching the accelerator bracket.





11. Remove the throttle body.





12. Remove the fuel feed.
13. Remove the fuel inlet pipe retainers.





14. Remove the intake manifold attaching nuts and the bolts.
15. Remove the intake manifold from the engine.
16. Clean the mating surfaces on the intake manifold and the cylinder head.
17. Inspect the manifold for cracks, broken flanges, and gasket surface damage.

Installation Procedure





1. Install the intake manifold assembly.
2. Install the intake manifold to cylinder head bolts and the nuts.

Notice: Refer to Fastener Notice in Service Precautions.





3. Install the fuel inlet pipe retainers.
^ Tighten the bolts to 24 Nm (18 inch lbs.).





4. Install the throttle body.
5. Connect the fuel feed and return quick-connect fittings.





6. Install the two bolts attaching the accelerator cable bracket.





7. Connect the MAP sensor.





8. Connect the TP sensor.





9. Connect the IAC sensor.





10. Install the resonator bracket.





11. Install the resonator.





12. Install the air cleaner inlet duct (1).