Operation CHARM: Car repair manuals for everyone.
Manuals through 2025 now available!

Our trusted friends have launched a new website named LEMON, which has newer manuals. It also contains all the CHARM manuals.

LEMON is the spiritual successor to CHARM, I recommend you try it!

Link: lemon-manuals.la or lemon-manuals.org.ua

(Some people have issue connecting. LEMON is investigating. For now, use Firefox or change your DNS server)

Or, hide this message: temporarily or permanently

Vacuum Harness HVAC: Service and Repair

VACUUM HOSE HARNESS REPLACEMENT

REMOVAL PROCEDURE




1. Remove the HVAC module.
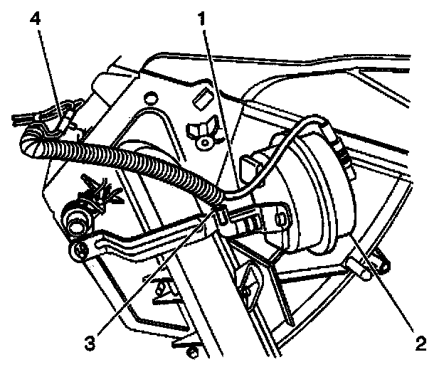
2. Disconnect the yellow hose (1) from the mode actuator (2).
3. Disconnect the red hose (3) from the mode actuator (2).
4. Remove the vacuum hose harness clips (4) from the HVAC module.




5. Disconnect the blue hose (1) from the defroster actuator (2).
6. Disconnect the green hose (5) from the defroster actuator (2).
7. Disconnect the violet hose (3) from the vacuum tank (4).
8. Disconnect the orange hose (6) from the air inlet actuator (7).
9. Remove the vacuum hose harness clip screw.
10. Remove the vacuum hose harness.

INSTALLATION PROCEDURE




1. Position the vacuum hose harness.

NOTE: Refer to Fastener Notice in Service Precautions.

2. Install the vacuum hose harness clip screw.

Tighten
Tighten the harness clip screw to 1 N.m (9 lb in).

3. Connect the blue hose (1) to the defroster actuator (2).
4. Connect the green hose (5) to the defroster actuator (2).
5. Connect the violet hose (3) to the vacuum tank (4).
6. Connect the orange hose (6) to the air inlet actuator (7).




7. Connect the yellow hose (1) to the mode actuator (2).
8. Connect the red hose (3) to the mode actuator (2).
9. Install the vacuum hose harness clips (4) to the HVAC module.
10. Install the HVAC module.