Intermediate/4TH Servo Assembly Replacement
Removal ProcedureCaution: Refer to Vehicle Lifting Caution in Service Precautions.
1. Raise the vehicle. Support the vehicle.
2. Remove the oil pan and filter. Refer to Oil Filter and Seal Replacement.
3. Remove the oil feed pipes. Refer to Oil Feed Pipes Replacement.
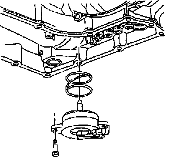
4. Remove the two intermediate/4th servo cover bolts, the servo and the spring.
5. Disassemble, clean and inspect the intermediate/4th servo assembly. Refer to Transmission Unit Repair.
Installation Procedure
1. Assemble the intermediate/4th servo assembly. Refer to Transmission Unit Repair.
Notice: Refer to Fastener Notice in Service Precautions.
2. Install the intermediate/4th band servo piston spring, the servo and the servo cover bolts.
^ Tighten the bolts to 12 Nm (106 inch lbs.).
3. Install the oil feed pipes. Refer to Oil Feed Pipes Replacement.
4. Install the filter and the pan. Refer to Oil Filter and Seal Replacement.
5. Lower the vehicle.
6. Fill the transmission with Dexron III fluid. Refer to Fluid Capacity Specifications.
7. Connect the negative battery cable.
8. Inspect the transmission oil level. Refer to Transmission Fluid Checking Procedure.