Operation CHARM: Car repair manuals for everyone.
Manuals through 2025 now available!

Our trusted friends have launched a new website named LEMON, which has newer manuals. It also contains all the CHARM manuals.

LEMON is the spiritual successor to CHARM, I recommend you try it!

Link: lemon-manuals.la or lemon-manuals.org.ua

(Some people have issue connecting. LEMON is investigating. For now, use Firefox or change your DNS server)

Or, hide this message: temporarily or permanently

Transaxle Case Assembly

^ Tools Required
- J 44375 Assembly Pallet
- J-48383
- J 7079-2 Non-Threaded Driver Handle
- J 44381 Shifter Bearing/Input and Output
- J 44385 Differential Bearing Race and Seal
- J 44387 Output Shaft Bearing Sleeve Installer
- J 44376 Bearing Pusher/Puller
- J 44377 Input Shaft Anti-Rotation Tool
- J 44389 Countershaft Bearing Installer





1. Install the shift fork bearing to the transmission housing using the J-48383 and the J 7079-2.
2. Install the shifter shaft bearing flush with the casting in the transmission housing, using the J 44381 and the J 7079-2.





Important: Do not over apply the threadlocker to the bolt threads.

3. Apply GM P/N 12345382 to the reverse lockout lever bolt threads.

Notice: Refer to Fastener Notice in Service Precautions.

4. Install the reverse lockout lever, spring, and the bolt to the transmission housing.
^ Tighten the bolt to 6 Nm (53 inch lbs.).





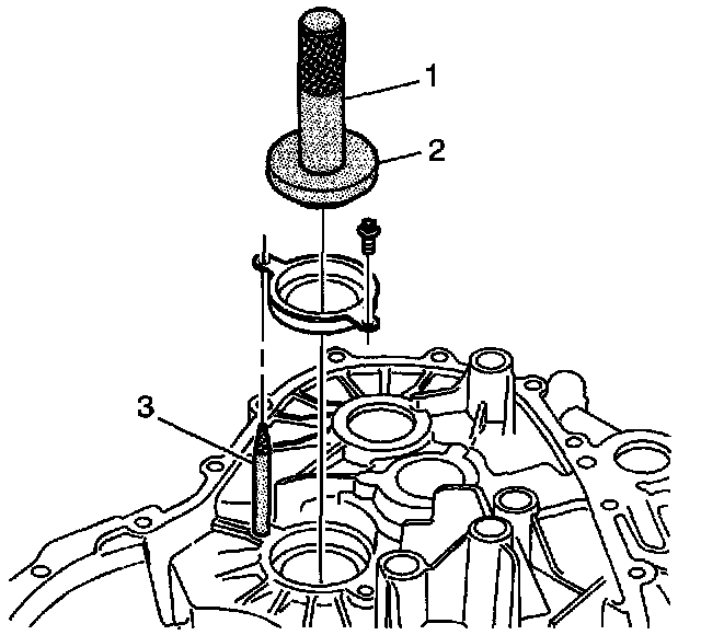
5. Install the differential side bearing race to the transmission housing using the J 44385 (2) and the J 7079-2 (1).





6. Install the differential side bearing race seal to the transmission housing using the J 44385 (2) and the J 7079-2 (1).





7. Install the countershaft bearing to the clutch housing using the J 44381 and the J 7079-2.
8. Install the snap ring.





9. Install the input shaft bearing to the clutch housing using the J 44381 and the J 7079-2.





10. Install the output shaft bearing race and bolts using the J 44387 (2) and the J 7079-2 (1).





11. Install the differential side bearing race to the clutch housing using the J 44385 (2) and the J 7079-2 (1).





12. Install the differential output shaft seal to the clutch housing using the J 44385 and the J 7079-2.





13. Install the snap rings to the input shaft and output shaft bearings.
14. Install the input shaft and output shaft bearings into the transmission housing using the J 44385 (1) and the J 7079-2 (1).





15. Install the shift forks and the input shaft and output shaft onto the J 44375.





16. Install the countershaft onto the J 44375.
17. Rotate the shaft to verify all gears are properly meshing.





18. Install the housing onto the shift forks and the shafts on to the J 44375. Line up the shift forks and the shafts with the housing.





Important: Install the transaxle case to the shafts evenly using the J 44376.

19. Install the transaxle case to the shafts using the J 44376.





20. Shift the transmission into 4th and 5th gear using a screwdriver in an upward direction.
21. Apply GM P/N 12345493 to the input and output shaft bolts.
22. Install NEW input and output shaft bolts while holding the transmission into 4th and 5th gear in an upward direction.
^ Tighten the shaft bolts to 95 Nm (68 ft. lbs.).





23. Install sealant to the rear cover.





Important: The oil guide only installs in one direction. Ensure the oil guide is completely installed in the gear shafts.

24. Install the oil guide.
25. Install the rear cover.
26. Install the rear cover bolt.
^ Tighten the rear cover bolt to 23 Nm (17 ft. lbs.).





27. Apply GM P/N 12346004 to the backup lamp switch
28. Install the backup lamp switch into the transaxle case.





29. Turn the transaxle case and the J 44375 over on the table.
30. Remove the J 44375 from the transaxle case.





31. Install the oil hose into the transaxle case.





32. Install the shift rod to the shift fork.





33. Install the hat bushing into the transaxle case.





34. Apply sealer to the transaxle case to shifter mating surface.





35. Install the shifter and the shifter retaining bolts.
^ Tighten the shifter retaining bolts to 25 Nm (18 ft. lbs.). Install all possible shifter bolts in the neutral position. Install the last shifter bolt in gear and then shift the transmission back into neutral.





36. Shift the transmission into neutral.
37. Apply GM P/N 12346004 to the shifter guide bolt.
38. Install the shifter guide bolt.
^ Tighten the shifter guide bolt to 25 Nm (18 ft. lbs.).





39. Install the roller bearing onto the output shaft.





40. Install the magnet into the transaxle case.





41. Install the differential into the transaxle case.





42. Apply sealant to the transaxle case to clutch housing mating surface.





43. Install the clutch housing to the transaxle case.





44. Install the countershaft into the clutch housing bearing using the J 44389.





45. Install the clutch housing to transaxle case bolts.
^ Tighten the housing bolts to 27 Nm (20 ft. lbs.).





46. Turn the transmission over.
47. Install the transaxle case to clutch housing bolts.
^ Tighten the housing bolts to 27 Nm (20 ft. lbs.).





48. Turn the transmission so the shifter is on top.
49. Shift the transmission into any gear.





50. Hold the input shaft with the J 44377.
51. Apply GM P/N 12345493 to the intermediate shaft bolt.
52. Install the bolt in the intermediate shaft.





53. Install the plastic oil guide into the intermediate shaft.





Important: Make sure not to press the sealing cap past the bottom of the chamfer.

54. Install the intermediate shaft sealing cap.





55. Apply GM P/N 12345382 to the vehicle speed sensor bolt.
56. Install the vehicle speed sensor and bolt.
^ Tighten the bolt to 12 Nm (8 ft. lbs.).





57. Install the shift cable bracket and bolt.





58. Install the input shaft seal to the actuator.
59. Install the actuator and tube.
60. Install the actuator and tube bolts.
61. Apply GM P/N 12346004 to the transmission drain plug.
62. Install the transmission drain plug.
^ Tighten the transmission drain plug to 38 Nm (28 ft. lbs.).
63. Install the transmission fill cap.