Operation CHARM: Car repair manuals for everyone.
Manuals through 2025 now available!

Our trusted friends have launched a new website named LEMON, which has newer manuals. It also contains all the CHARM manuals.

LEMON is the spiritual successor to CHARM, I recommend you try it!

Link: lemon-manuals.la or lemon-manuals.org.ua

(Some people have issue connecting. LEMON is investigating. For now, use Firefox or change your DNS server)

Or, hide this message: temporarily or permanently

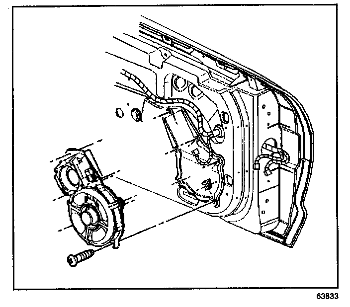
Mirror Replacement

REMOVAL PROCEDURE

CAUTION: Refer to Express Down Feature caution in Service Precautions.




1. Lower the door window.
2. Remove the door trim panel.




3. Remove the door radio speaker assembly.
^ Remove the screws mounting the speaker assembly.
^ Disconnect the electrical/audio connector.




4. Remove the mirror nut access plugs.




5. Disconnect the electrical connector(s).
6. Disconnect the mirror harness from the retainers.
7. Remove the nuts from the mirror studs.
8. Remove the mirror with the harness and gasket.

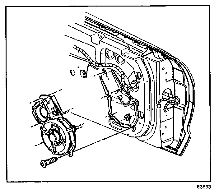
INSTALLATION PROCEDURE

CAUTION: Refer to Express Down Feature caution in Service Precautions.




1. Position the mirror with the gasket and harness to the door.

NOTE: Refer to Fastener Notice in Service Precautions.

2. Install the nuts to the mirror.

Tighten
Tighten the mirror nuts to 10 N.m (89 lb in).

3. Route the harness and secure the harness with the harness retainers.
4. Connect the electrical connector(s).




5. Install the mirror nut access plugs.




6. Install the uppermost screw mounting the radio speaker assembly to the door.
7. Install the remaining screws in a criss-cross pattern.

Tighten
Tighten the door speaker assembly screws to 2.5 N.m (22 lb in).

8. Connect the electrical/audio connector.
9. Connect the speaker connectors.




10. Install the door trim panel.