Operation CHARM: Car repair manuals for everyone.
Manuals through 2025 now available!

Our trusted friends have launched a new website named LEMON, which has newer manuals. It also contains all the CHARM manuals.

LEMON is the spiritual successor to CHARM, I recommend you try it!

Link: lemon-manuals.la or lemon-manuals.org.ua

(Some people have issue connecting. LEMON is investigating. For now, use Firefox or change your DNS server)

Or, hide this message: temporarily or permanently

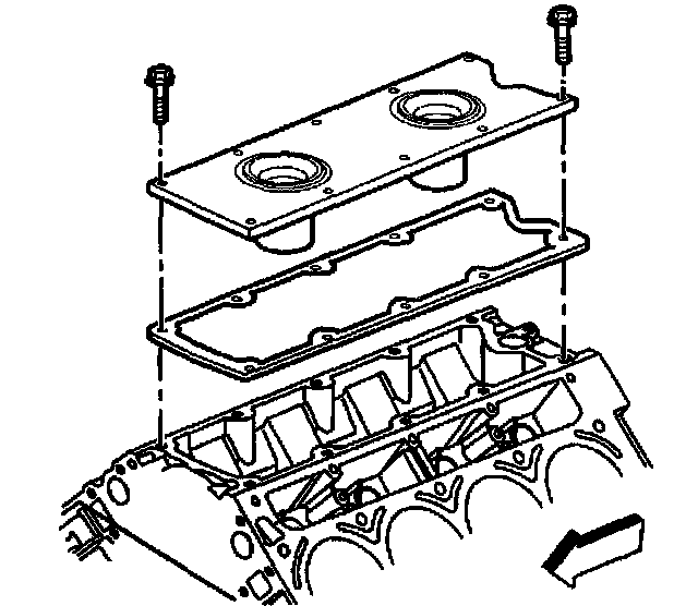
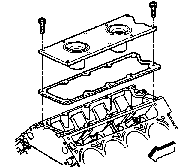
Engine Valley Cover: Service and Repair


Removal Procedure





1. Remove the intake manifold. Refer to Intake Manifold Replacement
2. Remove the engine coolant air bleed pipe. Refer to Vapor Vent Pipe Replacement.
3. Remove the engine valley cover. Refer to Engine Valley Cover Removal.

Installation Procedure





1. Install the engine valley cover. Refer to Engine Valley Cover Installation.
2. Install the engine coolant air bleed pipe. Refer to Vapor Vent Pipe Replacement.
3. Install the intake manifold. Refer to Intake Manifold Replacement.