Operation CHARM: Car repair manuals for everyone.
Manuals through 2025 now available!

Our trusted friends have launched a new website named LEMON, which has newer manuals. It also contains all the CHARM manuals.

LEMON is the spiritual successor to CHARM, I recommend you try it!

Link: lemon-manuals.la or lemon-manuals.org.ua

(Some people have issue connecting. LEMON is investigating. For now, use Firefox or change your DNS server)

Or, hide this message: temporarily or permanently

Timing Chain: Service and Repair


- Tools Required
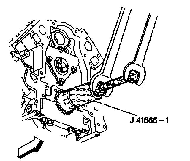
- J 41665 Crankshaft Balancer and Sprocket Installer





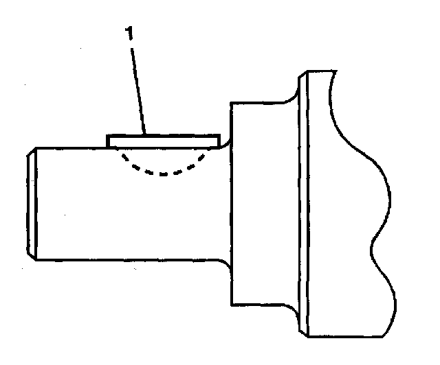
1. Install the key into the crankshaft keyway (if previously removed).





2. Tap the key (1) into the keyway until both ends of the key bottom onto the crankshaft.





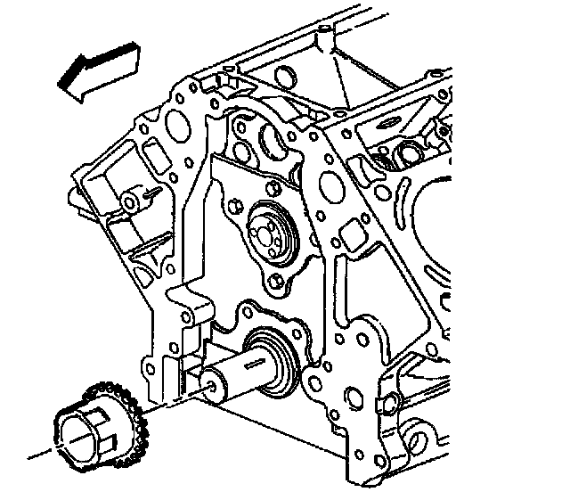
3. Install the crankshaft sprocket onto the front of the crankshaft. Align the crankshaft key with the crankshaft sprocket keyway.





4. Use the J 41665 in order to install the crankshaft sprocket.
Install the sprocket onto the crankshaft until fully seated against the crankshaft flange.
5. Rot ate the crankshaft sprocket until the alignment mark is in the 12 o'clock position.

Important:
- Properly locate the camshaft sprocket locating pin with the camshaft sprocket alignment hole.
- The sprocket teeth and timing chain must mesh.
- The camshaft and the crankshaft sprocket alignment marks MUST be aligned properly.

Locate the camshaft sprocket alignment mark in the 6 o'clock position.





6. Install the camshaft sprocket and timing chain.





7. If necessary, rotate the camshaft or crankshaft sprockets in order to align the timing marks.

Notice: Refer to Fastener Notice in Service Precautions.

8. Install the camshaft sprocket bolts.
Tighten the camshaft sprocket bolts to 35 Nm (26 lb ft).