Operation CHARM: Car repair manuals for everyone.
Manuals through 2025 now available!

Our trusted friends have launched a new website named LEMON, which has newer manuals. It also contains all the CHARM manuals.

LEMON is the spiritual successor to CHARM, I recommend you try it!

Link: lemon-manuals.la or lemon-manuals.org.ua

(Some people have issue connecting. LEMON is investigating. For now, use Firefox or change your DNS server)

Or, hide this message: temporarily or permanently

Timing Cover: Service and Repair


Removal Procedure





1. Remove the air intake duct and air cleaner assembly.
2. Remove the crankshaft balancer. Refer to Crankshaft Balancer Replacement.





3. Drain the cooling system. Refer to Draining and Filling Cooling System in Cooling System.
4. Remove the radiator hoses from the water pump.
5. Remove the heater hoses from the water pump.





6. Remove the water pump, bolts and gaskets. Refer to Water Pump Replacement in Cooling System.

Important: Do not slide the front cover/gasket across the oil pan gasket or damage could result.





7. Remove the front cover-to-engine block bolts.
8. Remove the front cover-to-oil pan bolts.
9. Remove the front cover and gasket.
10. Discard the front cover gasket.
11. Remove the crankshaft front oil seal from the cover.
12. Discard the oil seal.

Installation Procedure

- Tools Required
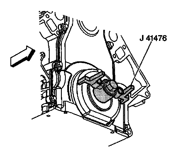
- J 41476 Front/Rear Cover Alignment (Crankshaft Oil Seal Area)

Important:
- Do not reuse the crankshaft oil seal or front cover gasket.
- Do not slide the front cover/gasket across the oil pan gasket.
- The special tool in this procedure is used to properly align the crankshaft front oil seal.
- The crankshaft front oil seal MUST be centered in relation to the crankshaft.
- An improperly aligned front cover may cause premature front oil seal wear and/or engine oil leaks.





1. Apply a 5 mm (0.20 inch) bead of sealant GM P/N 12378190 to the corner where the oil pan meets the engine block.
2. Install the front cover, gasket and bolts on to the engine.
3. Tighten the front cover bolts finger tight. Do not overtighten.





4. Align the tapered legs of J 41476 with the machined alignment surfaces on the front cover.
5. Install the crankshaft balancer bolt until sung. Do not overtighten.
6. Install the oil pan-to-cover bolts until snug in order to position the cover at the pan rail.

Notice: Refer to Fastener Notice in Service Precautions.

7. Tighten the oil pan-to-cover bolts in the following order:
7.1. Tighten the oil pan-to-front cover bolts to 25 Nm (118 lb ft).
7.2. Tighten the front cover bolts to 25 Nm (18 lb ft).
8. Remove the J 41476 from the front cover.
9. Install the front crankshaft oil seal. Refer to Crankshaft Front Oil Seal Installation.





10. Install the crankshaft balancer. Refer to Crankshaft Balancer Replacement.
11. Install the water pump, gaskets and bolts. Refer to Water Pump Replacement.





12. Connect the heater hoses to the water pump.
13. Connect the radiator hoses to the water pump.





14. Install the air intake duct and air cleaner assembly.
15. Fill the cooling system. Refer to Draining and Filling Cooling System in Cooling System.
16. Check for leaks.