Operation CHARM: Car repair manuals for everyone.
Manuals through 2025 now available!

Our trusted friends have launched a new website named LEMON, which has newer manuals. It also contains all the CHARM manuals.

LEMON is the spiritual successor to CHARM, I recommend you try it!

Link: lemon-manuals.la or lemon-manuals.org.ua

(Some people have issue connecting. LEMON is investigating. For now, use Firefox or change your DNS server)

Or, hide this message: temporarily or permanently

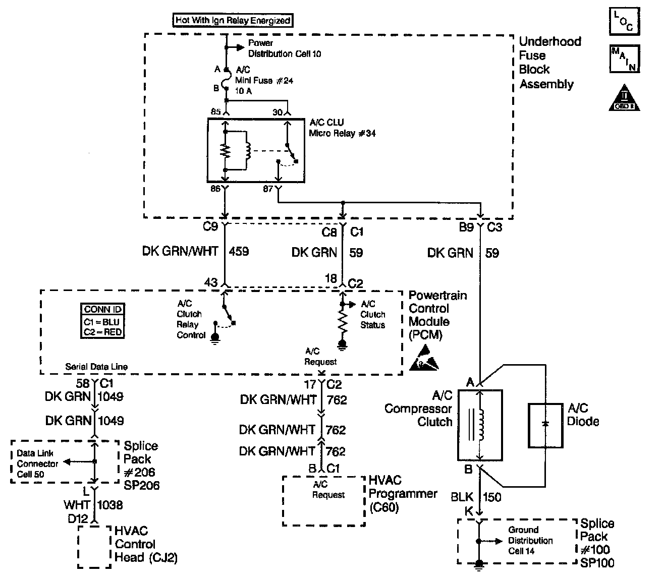
HVAC System - Manual

Diagnostic Chart (Part 1 Of 2):




Diagnostic Chart (Part 2 Of 2):




Schematic:




CIRCUIT DESCRIPTION
This diagnostic is only for the C60 A/C system (manual control). For further diagnosis of the CJ2 system, refer to A Diagnostic System Check in HVAC Systems with A/C-Automatic.

The A/C clutch relay is PCM controlled to delay A/C clutch engagement after the A/C is turned ON. This allows the PCM to adjust engine RPM before the A/C clutch engages. The PCM will engage the A/C clutch any time A/C has been requested unless any of the following conditions exist:
^ High coolant temperature
^ Low A/C system pressure
^ High A/C system pressure
^ Wide open throttle
^ High engine RPM
^ Certain DTCs have been set

When the heater and A/C control is placed in the A/C mode, a 12 volt signal is sent to the PCM. This is shown on the scan tool as A/C request YES.

When a request for A/C has been detected by the PCM, the PCM will ground the A/C clutch relay control circuit, the relay contacts will close, and current will flow through the relay to the A/C compressor clutch.

When A/C request has been detected by the PCM, the cooling fans will be turned ON when A/C pressure is above a predetermined pressure.

DIAGNOSTIC AIDS

IMPORTANT:
^ Remove any debris from the PCM connector surfaces before servicing the PCM. Inspect the PCM connector gaskets when diagnosing/replacing the modules. Ensure that the gaskets are installed correctly. The gaskets prevent contaminate intrusion into the PCM.
^ For any test that requires probing the PCM or a component harness connector, use the Connector Test Adapter Kit J 35616-A. Using this kit prevents damage to the harness/component terminals. Refer to Using Connector Test Adapters in Diagrams.
^ Before using this table, be sure no PCM DTCs are stored. The PCM will not activate the A/C clutch with certain DTCs set.
^ The following may cause an intermittent:
- Poor connections
Refer to Testing for Intermittent and Poor Connections in Diagrams.
- Corrosion
- Mis-routed harness
- Rubbed through wire insulation
- Broken wire inside the insulation
^ For an intermittent, refer to Symptoms. Symptom Related Diagnostic Procedures

TEST DESCRIPTION
The numbers below refer to numbers on the diagnostic table.
2. A/C DTCs will disable the A/C system. Repair A/C DTCs before proceeding.
3. The request circuit is shorted to a voltage if the scan tool displays A/C request as YES.
5. A condition exists with the request circuit between the PCM and the HVAC Programmer or the HVAC Programmer is malfunctioning if the test lamp did not illuminate. Refer to A Diagnostic System Check in HVAC Systems with A/C-Manual (C60) for further diagnosis.