Operation CHARM: Car repair manuals for everyone.
Manuals through 2025 now available!

Our trusted friends have launched a new website named LEMON, which has newer manuals. It also contains all the CHARM manuals.

LEMON is the spiritual successor to CHARM, I recommend you try it!

Link: lemon-manuals.la or lemon-manuals.org.ua

(Some people have issue connecting. LEMON is investigating. For now, use Firefox or change your DNS server)

Or, hide this message: temporarily or permanently

Component Tests and General Diagnostics

Diagnostic Chart (Part 1 Of 3):




Diagnostic Chart (Part 2 Of 3):




Diagnostic Chart (Part 3 Of 3):




Engine Controls Schematics: Ignition Coil/Module Cylinders 1 And 3:




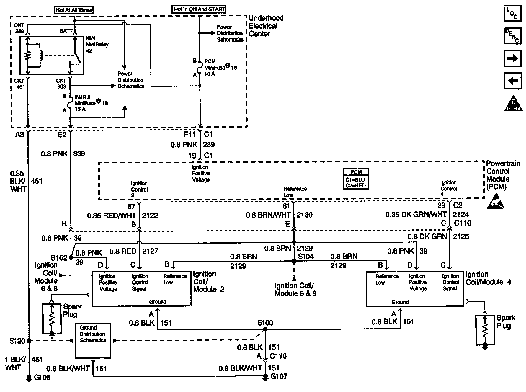
Engine Controls Schematics: Ignition Coil/Module Cylinders 2 And 4:




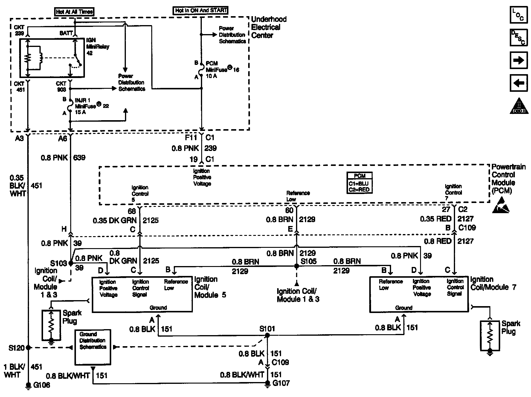
Engine Controls Schematics: Ignition Coil/Module Cylinders 5 And 7:




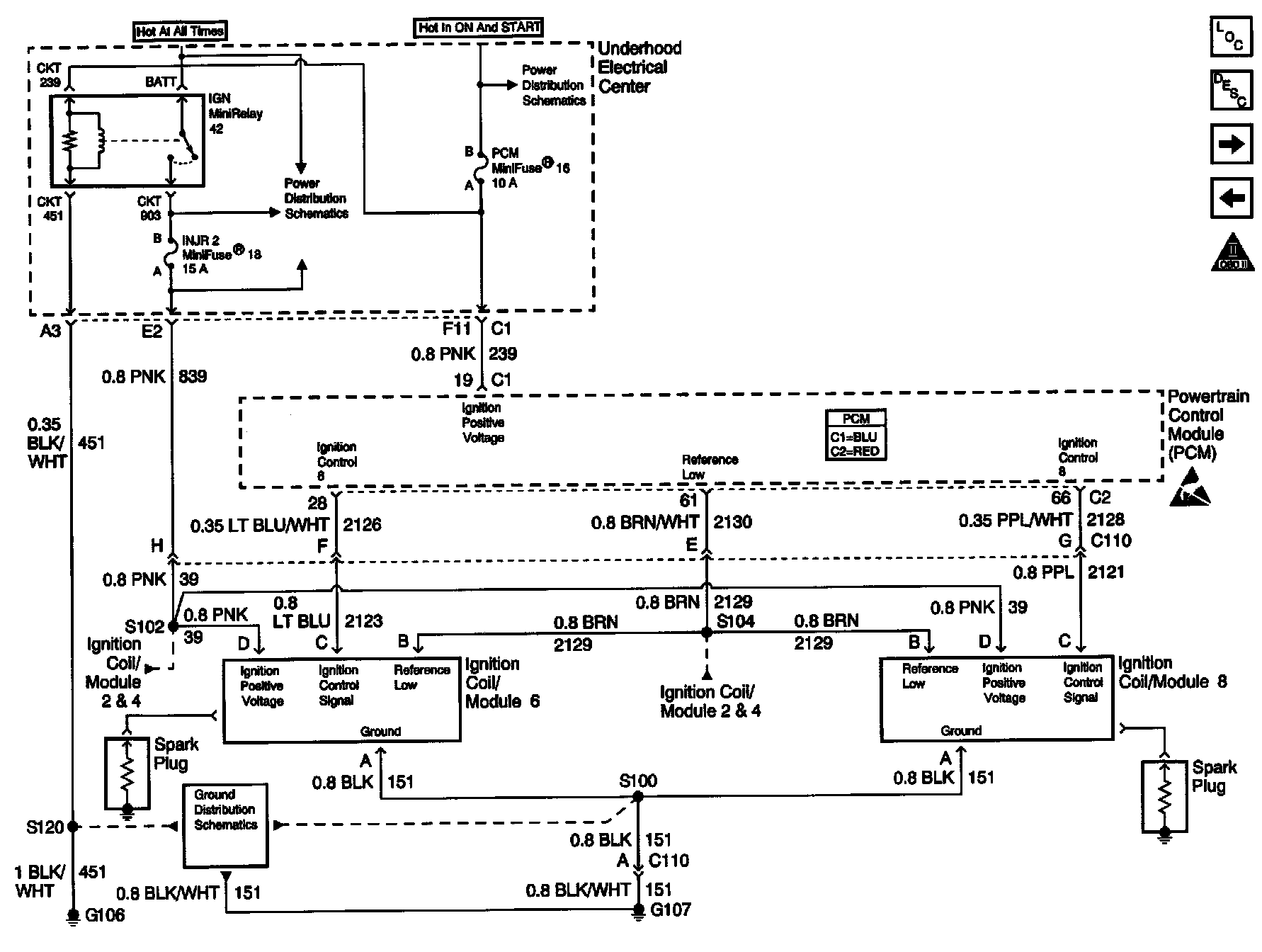
Engine Controls Schematics: Ignition Coil/Module Cylinders 6 And 8:




CIRCUIT DESCRIPTION
A Crankshaft Position (CKP) sensor determines the engine crankshaft position. The sensor is mounted and protrudes into the rear of the engine block. The sensor is near a slotted wheel on the crankshaft. The rotation of the slotted wheel induces a voltage in the sensor. The signal creates the reference pulses needed by the powertrain control module (PCM) to calculate crankshaft speed and position. These signals trigger the correct ignition coil to fire, at the correct time.

The ignition system on this engine uses an individual ignition coil/module for each cylinder. The PCM controls the ignition system operation. There are 8 Ignition Control (IC) circuits, one per cylinder, that connect the PCM with the ignition coil/modules. Each ignition coil/module has a power teed, a chassis ground circuit, a signal circuit and a reference low circuit. The PCM calculates the ignition sequence and timing of the spark plugs.

DIAGNOSTIC AIDS

IMPORTANT:
^ Remove any debris from the PCM connector surfaces before servicing the PCM. Inspect the PCM connector gaskets when diagnosing/replacing the modules. Ensure that the gaskets are installed correctly. The gaskets prevent contaminate intrusion into the PCM.
^ For any test that requires probing the PCM or a component harness connector, use the Connector Test Adapter Kit J 35616-A. Using this kit prevents damage to the harness/component terminals. Refer to Using Connector Test Adapters in Diagrams.
^ The following may cause an intermittent:
- Poor connections
Refer to Testing for Intermittent and Poor Connections in Diagrams.
- Corrosion
- Mis-routed harness
- Rubbed through wire insulation
- Broken wire inside the insulation
^ For an intermittent condition, refer to Symptoms. Symptom Related Diagnostic Procedures

TEST DESCRIPTION
The numbers below refer to the step numbers on the diagnostic table.
3. Monitoring the misfire current counters determines if a fault is present.
4. A good indication that the fuse is open is all the misfire current counters are incrementing on one side of the engine. Inspect the ignition feed circuit for a grounded circuit.
8. If the fuse is open and no problem can be found with the ignition coil/module circuits, inspect the injector circuits for being grounded. The INJR1 fuse and INJR2 fuse feed the ignition coil/module circuits and injector circuits.