Operation CHARM: Car repair manuals for everyone.
Manuals through 2025 now available!

Our trusted friends have launched a new website named LEMON, which has newer manuals. It also contains all the CHARM manuals.

LEMON is the spiritual successor to CHARM, I recommend you try it!

Link: lemon-manuals.la or lemon-manuals.org.ua

(Some people have issue connecting. LEMON is investigating. For now, use Firefox or change your DNS server)

Or, hide this message: temporarily or permanently

Electronic Brake Control Module: Service and Repair

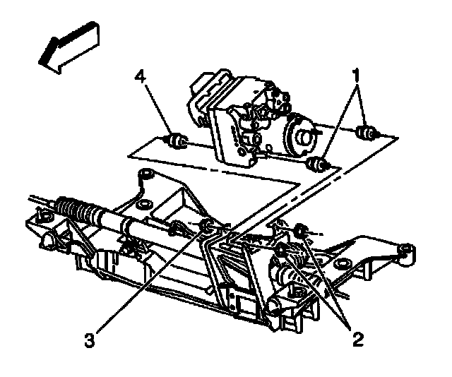
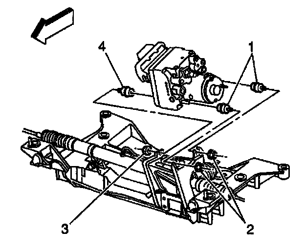
Removal Procedure

Notice: To prevent equipment damage, never connect or disconnect the wiring harness connection from the EBCM with the ignition switch in the ON position.





1. Turn the ignition switch to the OFF position.
2. Disconnect the EBCM harness connector.
3. Remove the three insulator nuts (2,3).
4. Lift the EBCM/BPMV out of the bracket high enough to allow clearance to remove the insulator mounting bolt and the EBCM.





5. Remove the insulator mounting bolt from the EBCM.
6. Remove the four EBCM to BPMV bolts.
7. Separate the EBCM from the BPMV by gently pulling apart until separated. Be careful not to damage seal.

Installation Procedure





1. Clean the BPMV gasket surface with alcohol using a clean rag.
2. Install the EBCM to the BPMV.

Notice: Refer to Fastener Notice in Service Precautions.

Important: If the insulator nut was removed it must be replaced with a new insulator nut (3).

^ Tighten the four mounting bolts to 3 Nm (27 inch lbs.), then tighten to 6 Nm (53 inch lbs.).

3. Install the front EBCM insulator mounting bolt.
^ Tighten the EBCM insulator mounting bolt to 14 Nm (10 ft. lbs.).





4. Install the EBCM/BPMV into the bracket.
5. Install the three insulator nuts (2,3).
^ Tighten the three insulator nuts to 10 Nm (89 inch lbs.).
6. Connect the EBCM harness connector.

Important: Both sides of the EBCM harness connector must be engaged with lever before closing.

7. Turn the ignition switch to the ON position, engine off.
8. Perform the A Diagnostic System Check - ABS.