Operation CHARM: Car repair manuals for everyone.
Manuals through 2025 now available!

Our trusted friends have launched a new website named LEMON, which has newer manuals. It also contains all the CHARM manuals.

LEMON is the spiritual successor to CHARM, I recommend you try it!

Link: lemon-manuals.la or lemon-manuals.org.ua

(Some people have issue connecting. LEMON is investigating. For now, use Firefox or change your DNS server)

Or, hide this message: temporarily or permanently

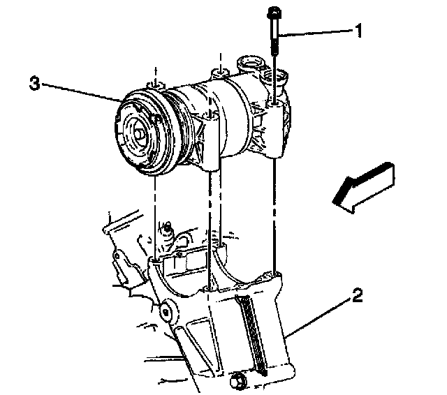
Compressor Replacement

REMOVAL PROCEDURE

CAUTION: Refer to Battery Disconnect Caution in Service Precautions.




1 Remove the battery negative cable.
2. Remove the air cleaner assembly.
3. Recover the refrigerant from the system. Refer to Refrigerant Recovery and Recharging.
4. Disconnect the clutch coil electrical connector (1) from the compressor.




5. Disconnect the high pressure switch electrical connector (2) from the compressor.
6. Remove the drive belt.




7. Remove the compressor (3) and the condenser hose assembly.
8. Remove the compressor to the mounting bracket bolts.
9. Remove the compressor from the vehicle.
10. Drain and measure the compressor oil.
11. Check the oil for metal or discoloration. If metal is found replace the expansion orifice tube. Refer to Expansion (Orifice) Tube Replacement.

INSTALLATION PROCEDURE




1 Install the compressor (3) to the vehicle.

IMPORTANT: The compressor is shipped without oil.

2. Add oil to the compressor. Refer to Refrigerant Oil Distribution, if replacing the compressor.

NOTE: Refer to Fastener Notice in Service Precautions.

3. Install the compressor retaining bolts to the mounting bracket.

Tighten
Tighten the bolts to 50 N.m (37 lb ft).

4. Install the compressor and the condenser hose assembly.
5. Install the drive belt.




6. Connect the clutch coil electrical connector (1) to the compressor.




7. Connect the high pressure switch electrical connector (2) from the compressor.
8. Install the air cleaner assembly.

CAUTION: Refer to Battery Disconnect Caution in Service Precautions.

9. Connect the battery negative cable.
10. Evacuate and Recharge the refrigerant to the system. Refer to Refrigerant Recovery and Recharging.
11. Inspect the system for leaks. Refer to Leak Testing.