Operation CHARM: Car repair manuals for everyone.
Manuals through 2025 now available!

Our trusted friends have launched a new website named LEMON, which has newer manuals. It also contains all the CHARM manuals.

LEMON is the spiritual successor to CHARM, I recommend you try it!

Link: lemon-manuals.la or lemon-manuals.org.ua

(Some people have issue connecting. LEMON is investigating. For now, use Firefox or change your DNS server)

Or, hide this message: temporarily or permanently

Oil Pressure Sensor: Service and Repair

REMOVAL PROCEDURE

CAUTION: Refer to Battery Disconnect Caution in Service Precautions.




1. Disconnect the negative battery cables.
2. Remove the coolant surge tank.
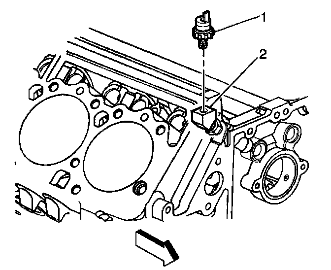
3. Remove the harness connector (1) from the oil pressure switch (2).




4. Remove the oil pressure switch (1).

INSTALLATION PROCEDURE

NOTE: Refer to Fastener Notice in Service Precautions.




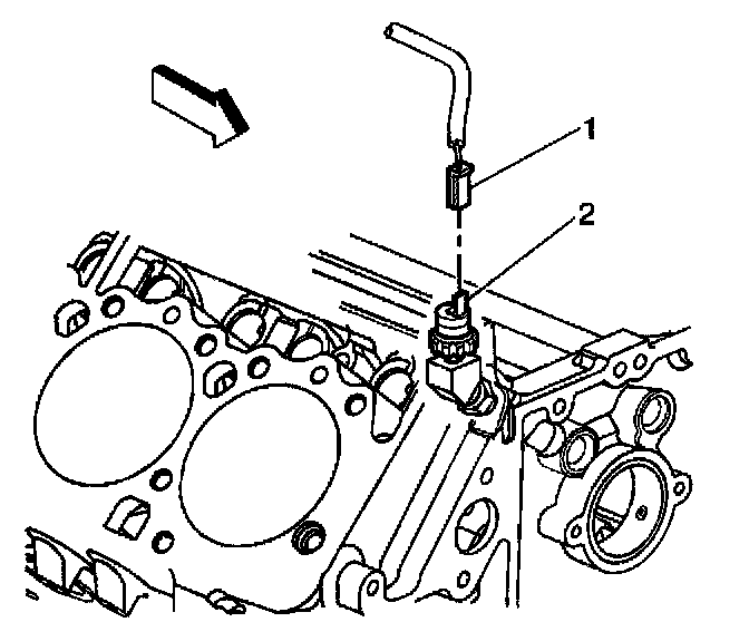
1. Install the oil pressure switch (1) while holding the fitting (2).

Tighten
Tighten the oil pressure switch to 7.5 N.m (66 lb in).




2. Install the harness connector (1) onto the oil pressure switch (2).
3. Install the coolant surge tank.
4. Connect the negative battery cables.