Operation CHARM: Car repair manuals for everyone.
Manuals through 2025 now available!

Our trusted friends have launched a new website named LEMON, which has newer manuals. It also contains all the CHARM manuals.

LEMON is the spiritual successor to CHARM, I recommend you try it!

Link: lemon-manuals.la or lemon-manuals.org.ua

(Some people have issue connecting. LEMON is investigating. For now, use Firefox or change your DNS server)

Or, hide this message: temporarily or permanently

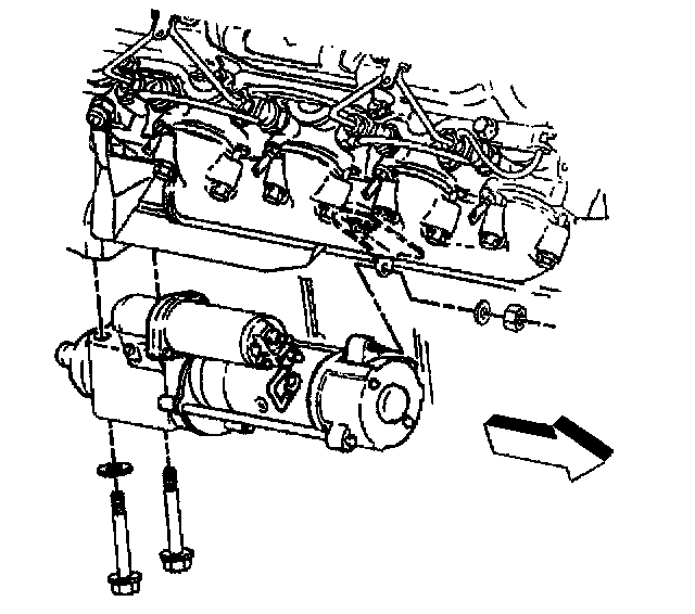
Starter Motor: Service and Repair

REMOVAL PROCEDURE

CAUTION: Refer to Battery Disconnect Caution in Service Precautions.




1. Disconnect the battery negative cable.
2. Remove the engine cover.
3. Remove the starter motor nut retaining the starter to the starter motor bracket.
4. Remove the starter motor bolts from the engine.




5. Disconnect the electrical connectors from the starter solenoid.




6. Remove the bolt retaining the starter motor bracket to the engine.
7. Remove the starter motor from the engine.

INSTALLATION PROCEDURE




1. Install the starter motor to the engine.

NOTE: Refer to Fastener Notice in Service Precautions.

2. Install the starter motor bracket and bolt to the engine.

Tighten
Tighten the bolt to 17 N.m (13 lb ft).




3. Connect the electrical connectors to the starter solenoid.

Tighten
- Tighten the battery cable to the solenoid to 10 N.m (89 lb in).
- Tighten the ignition switch wires to the solenoid to 6 N.m (53 lb in).




4. Install the starter motor bolts to the engine.

Tighten
Tighten the bolts to 45 N.m (33 lb ft).

5. Install the nut retaining the starter to the starter motor bracket.

Tighten
Tighten the nut to 10 N.m (89 lb in).

6. Install the engine cover.
7. Connect the battery negative cable.