Operation CHARM: Car repair manuals for everyone.
Manuals through 2025 now available!

Our trusted friends have launched a new website named LEMON, which has newer manuals. It also contains all the CHARM manuals.

LEMON is the spiritual successor to CHARM, I recommend you try it!

Link: lemon-manuals.la or lemon-manuals.org.ua

(Some people have issue connecting. LEMON is investigating. For now, use Firefox or change your DNS server)

Or, hide this message: temporarily or permanently

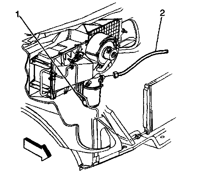
Accumulator HVAC: Service and Repair

ACCUMULATOR REPLACEMENT

REMOVAL PROCEDURE




1. Recover the refrigerant from the system. Refer to Refrigerant Recovery and Recharging.
2. Remove the coolant recovery or the surge tank.
3. Remove the battery from the vehicle.
4. Remove the A/C lines from the accumulator.
5. Remove the electrical connectors.
6. Remove the accumulator (1) and the bracket (5) from the vehicle.

INSTALLATION PROCEDURE

NOTE: Refer to Fastener Notice in Service Precautions.




1. Install the accumulator (1) and the bracket (5) to the vehicle.

Tighten
^ Tighten the screws to the evaporator case to 6 N.m (53 lb in).
^ Tighten the nut retaining the accumulator to the A/C evaporator and blower module stud to 16 N.m (12 lb ft).

2. Install the electrical connectors.




3. Tighten the compressor/condenser hose to the accumulator to 48 N.m (35 lb ft).
4. Install the battery to the vehicle.
5. Install the coolant recovery or surge tank.
6. Recharge the refrigerant in the system. Refer to Refrigerant Recovery and Recharging.