Operation CHARM: Car repair manuals for everyone.
Manuals through 2025 now available!

Our trusted friends have launched a new website named LEMON, which has newer manuals. It also contains all the CHARM manuals.

LEMON is the spiritual successor to CHARM, I recommend you try it!

Link: lemon-manuals.la or lemon-manuals.org.ua

(Some people have issue connecting. LEMON is investigating. For now, use Firefox or change your DNS server)

Or, hide this message: temporarily or permanently

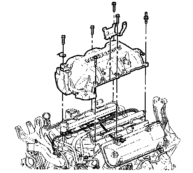
Upper Intake Manifold Replacement

Removal Procedure

Important: This engine uses a sequential multiport fuel injection system. Connect the injector wiring harness connectors to their appropriate fuel injector or exhaust emissions and engine performance may be seriously affected.





1. Disconnect the battery ground (negative) cable. Refer to Battery Negative Cable Disconnect/Connect Procedure in Starting and Charging.
2. Carefully disconnect the vacuum hose connection from the throttle body air inlet duct.
3. Disconnect the wiring harness connection from the intake air temperature (IAT) sensor in the throttle body air inlet duct. Refer to IAT Sensor Replacement in Computers and Controls.
4. Carefully disconnect the throttle body air inlet duct.
5. Drain the engine coolant from the cooling system. Refer to Draining and Filling Cooling System in Cooling System.
6. Remove the accelerator control and cruise control cables with bracket from the throttle body. Refer to Accelerator Controls Cable Bracket Replacement in Computers and Controls.
7. Disconnect the wiring harness connectors from the throttle body:
- Throttle position (TP) sensor
- Idle air control (IAC) valve
8. Disconnect the wiring harness attachment clips.
- Camshaft position (CMP) sensor wiring harness
- Left spark plug wire harness
9. Disconnect the thermostat bypass pipe coolant hoses from the throttle body.
10. Remove the rear generator brace. Refer to Generator Brace Replacement in Starting and Charging.
11. Remove the following components:
11.1. The vacuum lines at the upper intake manifold
11.2. The MAP sensor
11.3. The EGR valve
11.4. The spark plug wires
11.5. The ignition control module
11.6. The upper intake manifold
11.7. The upper intake manifold gaskets Refer to Intake Manifold Removal (Upper) or Intake Manifold Removal (Lower).
12. Remove the throttle body. Refer to Throttle Body Assembly Replacement in Computers and Controls.
13. Clean the seal surfaces on the manifold with degreaser.

Installation Procedure





1. Install the throttle body. Refer to Throttle Body Assembly Replacement in Computers and Controls.





2. Install the following components:
2.1. The upper intake manifold gaskets
2.2. The upper intake manifold
2.3. The ignition control module
2.4. The spark plug wires
2.5. The EGR valve
2.6. The MAP sensor
2.7. The vacuum lines at the upper intake manifold
Refer to Intake Manifold Installation (Lower) or Intake Manifold Installation (Upper).
3. Install the rear generator brace. Refer to Generator Brace Replacement in Starting and Charging.
4. Connect the thermostat bypass pipe coolant hoses to the throttle body.
5. Connect the wiring harness connectors to the throttle body.
- Throttle position (TP) sensor
- Idle air control (IAC) valve
6. Install the accelerator control and cruise control cables with bracket to the throttle body. Refer to Accelerator Controls Cable Bracket Replacement in Computers and Controls.
7. Fill the cooling system with engine coolant. Refer to Draining and Filling Cooling System in Cooling System.
8. Install the throttle body air inlet duct.
9. Connect the wiring harness connection to the intake air temperature (IAT) sensor in the throttle body air inlet duct. Refer to IAT Sensor Replacement in Computers and Controls.
10. Connect the vacuum hose connection to the throttle body air inlet duct.
11. Connect the battery ground (negative) cable. Refer to Battery Negative Cable Disconnect/Connect Procedure in Starting and Charging.