Operation CHARM: Car repair manuals for everyone.
Manuals through 2025 now available!

Our trusted friends have launched a new website named LEMON, which has newer manuals. It also contains all the CHARM manuals.

LEMON is the spiritual successor to CHARM, I recommend you try it!

Link: lemon-manuals.la or lemon-manuals.org.ua

(Some people have issue connecting. LEMON is investigating. For now, use Firefox or change your DNS server)

Or, hide this message: temporarily or permanently

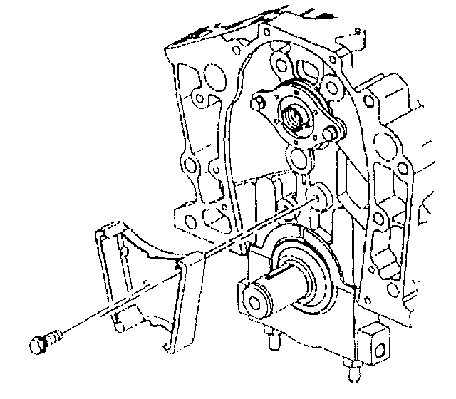
Timing Chain and Sprockets Installation

- Tools Required
- J 38612 Crankshaft Sprocket Installer





1. Install the crankshaft sprocket using the J 38612.
2. Apply prelube GM P/N 1052365 or the equivalent to the crankshaft sprocket thrust surface.





3. Install the timing chain dampener.

Notice: Refer to Fastener Notice in Service Precautions.

4. Install the timing chain dampener bolts.
Tighten the timing chain dampener bolt to 21 Nm (15 lb ft).





5. Align the crankshaft timing mark (2) to the timing mark on the bottom of the timing chain dampener (1).
6. Hold the camshaft sprocket with the timing chain hanging down and install the timing chain to the crankshaft gear.
7. Align the timing mark on the camshaft gear (4) with the timing mark on top of the timing chain dampener (3).





8. Align the dowel in the camshaft with the dowel hole in the camshaft sprocket.
9. Draw the camshaft sprocket onto the camshaft using the mounting bolt.
10. Coat the crankshaft and camshaft sprocket with engine oil.
Tighten the bolt to 140 Nm (103 lb ft).