Operation CHARM: Car repair manuals for everyone.
Manuals through 2025 now available!

Our trusted friends have launched a new website named LEMON, which has newer manuals. It also contains all the CHARM manuals.

LEMON is the spiritual successor to CHARM, I recommend you try it!

Link: lemon-manuals.la or lemon-manuals.org.ua

(Some people have issue connecting. LEMON is investigating. For now, use Firefox or change your DNS server)

Or, hide this message: temporarily or permanently

Ignition Switch: Service and Repair



IGNITION AND START SWITCH REPLACEMENT





REMOVAL PROCEDURE
1. Disconnect the battery ground cable.
2. Remove the steering column filler panel. Steering Column Filler
3. Remove the knee bolster bracket. Service and Repair
4. Remove the instrument panel (I/P) cluster trim plate. Instrument Panel Cluster (IPC) - Trim Plate Bezel Replacement
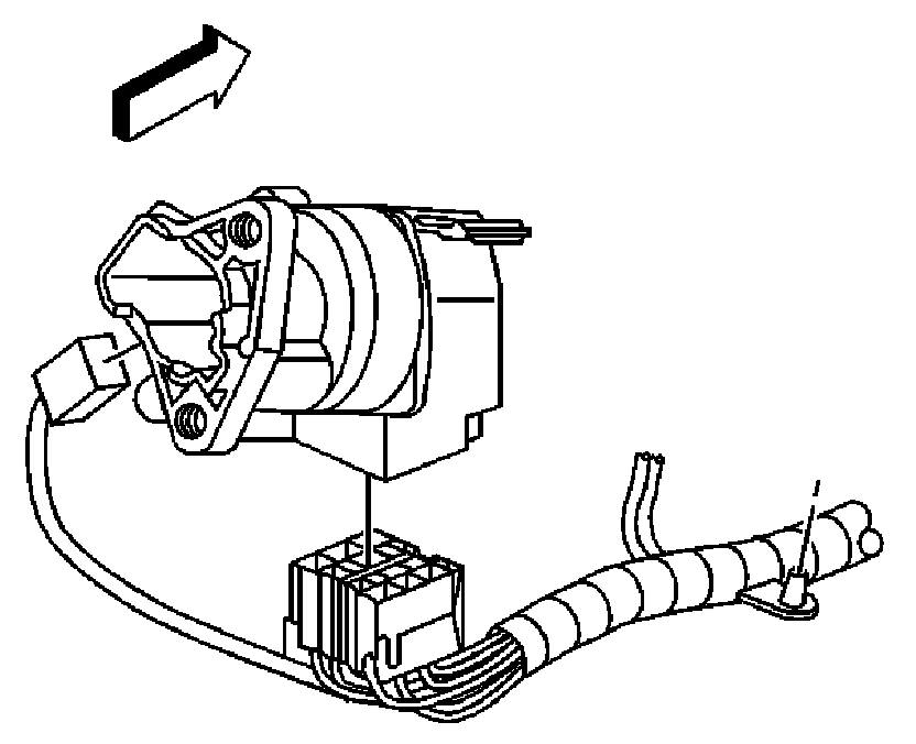
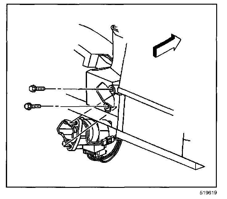
5. Remove the ignition switch bolts.
6. Lower the ignition switch away from the instrument carrier.
7. Insert the key into the ignition lock cylinder. Turn the key to the "ON/RUN" position.
8. Depress the transaxle park/lock cable retainer to release. Pull to remove the park/lock cable from the ignition switch.

IMPORTANT: The Passlock electrical connector cannot be removed until the lock cylinder is removed.

9. Depress and hold the detent on the bottom of the ignition switch in order to release the ignition lock cylinder. Remove the ignition lock cylinder with the key.





10. Disconnect the Passlock electrical connector.
11. Disconnect the electrical connectors.





IMPORTANT: Ignition switch lock cylinder that won't rotate or is seized.

12. Follow the procedure below if the ignition switch lock cylinder is seized or won't rotate.
12.1. Protect the immediate work area with suitable material such as clean shop towels or a clean fender cover.
12.2. Locate the surface for the ignition switch lock cylinder release button (2) on the plastic ignition switch housing and center punch a location (1) on the "rib" approximately 3/8 inch reward, toward the key entry end, from the cylinder release button.
12.3. Carefully drill a pilot hole through the plastic housing with a 1/8 inch drill bit.
12.4. Carefully drill a larger hole at the pilot location, and slightly into the ignition switch lock cylinder surface to break the release button retaining spring using a 9/32 inch drill bit.
12.5. Remove portions of the broken spring from the hole using a small suitable tool.
12.6. Grasp the ignition switch lock cylinder and remove it from the switch housing.
12.7. Remove any plastic "flash" from the drilling operation, and using compressed air blow out the ignition switch assembly.
12.8. Follow service manual procedures when cylinder coding is required.

INSTALLATION PROCEDURE
1. If the lock cylinder would not rotate or was seized, perform the following procedure:
1.1. Install the new ignition switch lock cylinder as required by rotating both the cylinder and the ignition switch to the "ON" position.
1.2. Push the ignition switch lock cylinder into the ignition switch housing until fully seated.
1.3. It may be necessary to slightly depress the release button as it passes by the 9/32 inch hole previously drilled in the ignition switch housing.





2. Connect the electrical connectors.
3. Connect the Passlock electrical connector.
4. Connect the park/lock cable to the ignition switch.





5. Turn the key to the "ON/RUN" position. Install the ignition lock cylinder into the ignition switch. If you turned the key slightly while removing the lock cylinder, you may have to align the white colored ignition switch rotor (1) with the lock cylinder (2). You can rotate the ignition switch rotor (1) with your finger.
6. Remove the key.





7. Position the ignition switch to the instrument carrier.

NOTICE: Use the correct fastener in the correct location. Replacement fasteners must be the correct part number for that application. Fasteners requiring replacement or fasteners requiring the use of thread locking compound or sealant are identified in the service procedure. Do not use paints, lubricants, or corrosion inhibitors on fasteners or fastener joint surfaces unless specified. These coatings affect fastener torque and joint clamping force and may damage the fastener. Use the correct tightening sequence and specifications when installing fasteners in order to avoid damage to parts and systems.

8. Install the ignition switch bolts.

TIGHTEN
Bolts to 10 Nm (89 lb in).

9. Install the trim plate bezel to the I/P cluster.
10. Install the knee bolster bracket.
11. Install the steering column filler panel.
12. Connect the battery ground cable.