Operation CHARM: Car repair manuals for everyone.
Manuals through 2025 now available!

Our trusted friends have launched a new website named LEMON, which has newer manuals. It also contains all the CHARM manuals.

LEMON is the spiritual successor to CHARM, I recommend you try it!

Link: lemon-manuals.la or lemon-manuals.org.ua

(Some people have issue connecting. LEMON is investigating. For now, use Firefox or change your DNS server)

Or, hide this message: temporarily or permanently

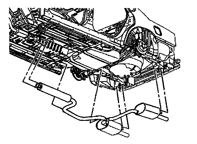
Exhaust System Replacement

Removal Procedure





1. Raise and suitably support the vehicle. Refer to Vehicle Lifting.
2. Disconnect the heated oxygen sensor (H02S) wiring harness connector and retainers. Refer to Heated Oxygen Sensor (HO2S) Replacement (HO2S1) or Heated Oxygen Sensor (HO2S) Replacement (HO2S2) in Computers and Controls.

Notice: Refer to Catalytic Converter Movement Notice in Service Precautions.

3. Suitably support the exhaust system.
4. Disconnect the exhaust system hangers from the exhaust system.
5. Remove the catalytic converter bolts from the catalytic converter pipe flange.





6. Remove the exhaust system.





7. Remove the exhaust manifold pipe stud nuts from the exhaust manifold pipe studs.
8. Remove the catalytic converter.
9. Remove the exhaust manifold pipe gasket.





10. Remove the heated oxygen sensor (H02S). Refer to Heated Oxygen Sensor (HO2S) Replacement (HO2S1) or Heated Oxygen Sensor (HO2S) Replacement (H02S2) in Computers and Controls.

Installation Procedure

Notice: Refer to Fastener Notice in Service Precautions.





1. Install the heated oxygen sensor (H02S). Refer to Heated Oxygen Sensor (H02S) Replacement (H02S1) or Heated Oxygen Sensor (H02S) Replacement (H02S2) in Computers and Controls.





2. Install the exhaust manifold pipe gasket.
3. Install the three-way catalytic converter.
4. Install the exhaust manifold pipe stud nuts to the exhaust manifold pipe studs.
Tighten the exhaust manifold pipe stud nuts to 35 Nm (26 ft. lbs.).

Notice: Refer to Catalytic Converter Movement Notice in Service Precautions.





5. Install the exhaust system.
6. Connect the exhaust system hangers to the exhaust system.





7. Install the catalytic converter gasket and the catalytic converter bolts.
Tighten the catalytic converter bolts to 45 Nm (33 ft. lbs.).
8. Remove the support from the exhaust system.
9. Connect the H02S wiring harness connector and retainers. Refer to Heated Oxygen Sensor (HO2S) Replacement (H02S1) or Heated Oxygen Sensor (H02S) Replacement (HO2S2) in Computers and Controls.
10. Inspect the exhaust system for leaks and underbody contact.
11. Lower the vehicle.