Operation CHARM: Car repair manuals for everyone.
Manuals through 2025 now available!

Our trusted friends have launched a new website named LEMON, which has newer manuals. It also contains all the CHARM manuals.

LEMON is the spiritual successor to CHARM, I recommend you try it!

Link: lemon-manuals.la or lemon-manuals.org.ua

(Some people have issue connecting. LEMON is investigating. For now, use Firefox or change your DNS server)

Or, hide this message: temporarily or permanently

Knock Sensor (KS) Replacement - Bank 2

REMOVAL PROCEDURE

CAUTION: Refer to Caution - Knock Sensor Service in Service Precautions.




1. Turn OFF the ignition.
2. Raise the vehicle. Refer to Lifting and Jacking the Vehicle in Vehicle Lifting.
3. Remove the bolts from the splash shield.
4. Drain the cooling system. Refer to Draming and Filling Cooling System in Cooing System.
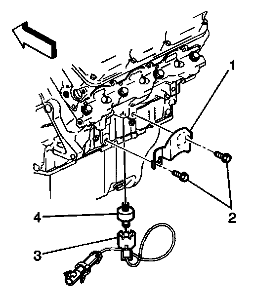
5. Remove the bolts (2) from the knock sensor heat shield (1) located under the freeze plug or block heater if equipped.
6. Disconnect the knock sensor wiring harness connector (3) from the knock sensor (4).




7. Remove the knock sensor (2) from the engine block (1).

INSTALLATION PROCEDURE

NOTE: Refer to Fastener Notice Fastener Notice in Service Precautions.

IMPORTANT: Do Not apply thread sealant to sensor threads. The sensor is coated at factory and applying additional sealant will affect the sensor's ability to detect detonation.




1. Install the knock sensor (2) into the engine block (1).

Tighten
Tighten the knock sensor to 19 N.m (14 lb ft).

2. Install the knock sensor heat shield

Tighten
Tighten the bolts to 60 N.m (44 lb ft).

3. Connect the knock sensor electrical connector to the knock sensor.
4. Install the splash shield.
5. Lower the vehicle.
6. Fill the cooling system. Refer to Draining and Filling Cooling System in Cooling System.
7. Inspect coolant level.