Operation CHARM: Car repair manuals for everyone.
Manuals through 2025 now available!

Our trusted friends have launched a new website named LEMON, which has newer manuals. It also contains all the CHARM manuals.

LEMON is the spiritual successor to CHARM, I recommend you try it!

Link: lemon-manuals.la or lemon-manuals.org.ua

(Some people have issue connecting. LEMON is investigating. For now, use Firefox or change your DNS server)

Or, hide this message: temporarily or permanently

Control Arm: Service and Repair

Removal Procedure
Tools Required
- J 41820 Ball Joint/Stud Separator

Notice: Use only the recommended tools for separating the ball joint from the knuckle. Do NOT hammer or pry the ball joint from the knuckle. Failure to use the recommended tools may cause damage to the ball joint and seal.

Important: Use the ignition key in order to unlock the steering column.

1. Turn the steering wheel in order to move the front of the applicable wheel to the outboard most position.

Important: Use ONLY a frame-contact type vehicle lift or a floor jack at the recommended lift points. Do NOT use a suspension-contact type vehicle lift. Do NOT lift the vehicle by the lower control arms.

2. Raise and support the vehicle. Refer to Vehicle Lifting.
3. Remove the tire and wheel. Refer to Tire and Wheel Removal and Installation in Wheels, Tires and Alignment.





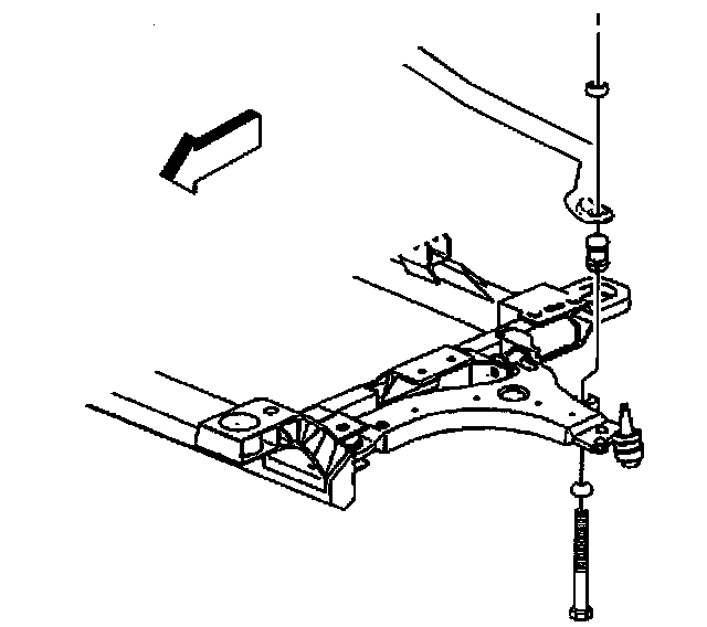
4. Disconnect the ABS wheel speed sensor connector (2).





5. Disconnect the ABS wheel speed sensor jumper harness from the harness retainer clips (2).





6. Remove the stabilizer shaft link.





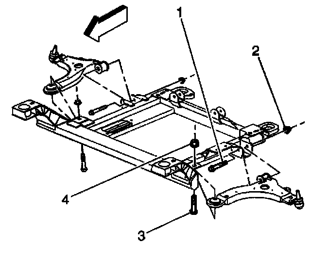
7. Remove the cotter pin (1) from the ball stud (3).
8. Loosen the ball stud nut.





9. Install the J 41820 over the ball stud and lower control arm as shown.
10. Rotate the ball stud nut counterclockwise in order to separate the ball stud from the steering knuckle.
11. Remove the ball stud nut.





12. Remove the lower control arm bolts (1, 3) and nuts (2, 4).
13. Remove the lower control arm.

Installation Procedure
1. Install the tower control arm.





2. Install the control arm bolts (1, 3) and nuts (2, 4).

Important: Align the ball stud cotter pin hole parallel to the knuckle in order to ease the cotter pin installation.

Notice: Refer to Fastener Notice in Service Precautions.

3. Install the ball stud to the knuckle.
Tighten the front lower control arm ball stud to knuckle nut to 20 Nm + 120° (15 ft. lbs. + 120°).

Important: Do NOT loosen the ball stud nut in order to align the ball stud nut slots to the ball stud cotter pin hole.





4. If necessary, tighten the ball stud castle nut in order to align the ball stud castle nut slot (1) to the ball stud cotter pin hole (2) as shown.

Important: Ensure that the cotter pin ends do NOT contact the ABS wheel speed sensor, the ABS sensor connector or the drive axle.





5. Install a NEW cotter pin and bend the ends as shown in either example.





7. Install the stabilizer shaft link.





8. Install the ABS wheel speed sensor jumper harness to the harness retainer clips (2).





9. Install the ABS wheel speed sensor connector (2).

Important: This is a prevailing torque type fastener. This fastener may be reused ONLY if:
- The fastener and its counterpart are clean and free from rust
- The fastener develops 3 Nm (27 inch lbs.) of torque (drag) against its counterpart prior to the fastener seating.
If the fastener does not meet these criteria, REPLACE the fastener.

10. Install the lower control arm nuts.
Tighten the lower control arm nuts to 113 Nm (83 ft. lbs.).
11. Install the tire and wheel. Refer to Tire and Wheel Removal and Installation in Wheels, Tires and Alignment.
12. Lower the vehicle.