Operation CHARM: Car repair manuals for everyone.
Manuals through 2025 now available!

Our trusted friends have launched a new website named LEMON, which has newer manuals. It also contains all the CHARM manuals.

LEMON is the spiritual successor to CHARM, I recommend you try it!

Link: lemon-manuals.la or lemon-manuals.org.ua

(Some people have issue connecting. LEMON is investigating. For now, use Firefox or change your DNS server)

Or, hide this message: temporarily or permanently

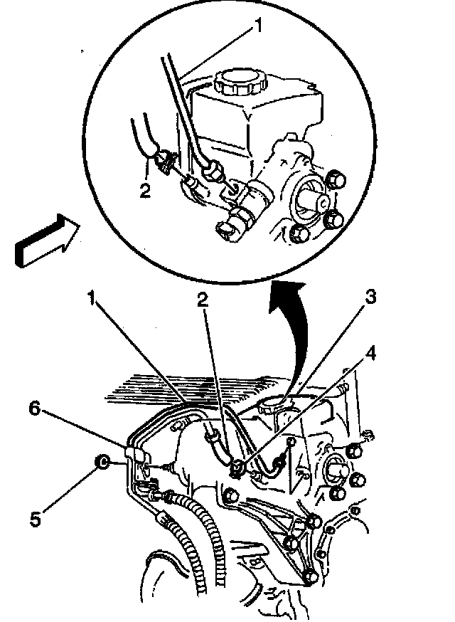
P/S Return Line Replacement

Removal Procedure





1. Remove the accessory drive belt.
2. Place the drain pan under the vehicle in order to catch any draining power steering fluid.
3. Remove the power steering return hose from the power steering pump (2).
4. Remove the power steering return line from the power steering lines retainer (6).





5. Raise and support the vehicle. Refer to Vehicle Lifting.
6. Remove the power steering return hose from the power steering gear cooler pipe.

Installation Procedure





1. Install the power steering return hose to the power steering gear cooler pipe.
2. Remove the drain pan from under the vehicle.
3. Lower the vehicle.





4. Install the power steering return line to the power steering lines retainer (6).
5. Install the power steering return hose to the power steering pump (2).
6. Install the accessory drive belt.
7. Fill the power steering fluid reservoir. Refer to Refilling the Power Steering System.
8. Bleed the power steering system. Refer to Bleeding Power Steering System.
9. Inspect the power steering system for leaks. Refer to External Leakage Check.