Operation CHARM: Car repair manuals for everyone.
Manuals through 2025 now available!

Our trusted friends have launched a new website named LEMON, which has newer manuals. It also contains all the CHARM manuals.

LEMON is the spiritual successor to CHARM, I recommend you try it!

Link: lemon-manuals.la or lemon-manuals.org.ua

(Some people have issue connecting. LEMON is investigating. For now, use Firefox or change your DNS server)

Or, hide this message: temporarily or permanently

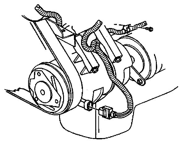
Compressor Replacement

REMOVAL PROCEDURE

IMPORTANT: When replacing a failed compressor it will be necessary to inspect the expansion orifice tube for material build up. Clean or replace as necessary. Refer to Expansion (Orifice) Tube Replacement




1. Recover the refrigerant. Refer to Refrigerant Recovery and Recharging. Service and Repair
2. Remove the drive belt.
3. Raise the vehicle. Refer to Lifting and Jacking the Vehicle in General Information.
4. Remove the left front wheelhouse splash shield.
5. Disconnect the electrical connection at the compressor.




6. Remove the compressor/condenser hose from the compressor.
7. Remove and discard the seal washers.




8. Remove the three compressor attaching bolts.
9. Remove the compressor and the spacer.

INSTALLATION PROCEDURE

IMPORTANT: When servicing or replacing the compressor, drain and measure the oil from the compressor.




1. Drain the compressor oil from the new compressor.
2. Refill the compressor with the same amount of oil that was drained from the old compressor.
If less than 60 ml (1 oz) was drained from the old compressor, add 60 ml (2 oz).
3. Install the bolts and the spacer to the compressor.

NOTE: Refer to Fastener Notice in Service Precautions.

4. Install the bolts, the spacer, and the compressor to the engine.

Tighten
4.1. Tighten the front top bolt to 50 N.m (37 lb ft).
4.2. Tighten the front rear bolt to 50 N.m (37 lb ft).
4.3. Tighten the bottom bolt to 50 N.m (37 lb ft).




5. Install NEW seal washers to the compressor ports.
6. Install the compressor/condenser hose and the bolt to the compressor.

Tighten
Tighten the hose bolt to 33 N.m (24 lb ft).




7. Connect the electrical connection to the compressor.
8. Install the left front wheel house splash shield.
9. Lower the vehicle.
10. Install the drive belt.
11. Recharge the A/C system. Refer to Refrigerant Recovery and Recharging. Service and Repair