Operation CHARM: Car repair manuals for everyone.
Manuals through 2025 now available!

Our trusted friends have launched a new website named LEMON, which has newer manuals. It also contains all the CHARM manuals.

LEMON is the spiritual successor to CHARM, I recommend you try it!

Link: lemon-manuals.la or lemon-manuals.org.ua

(Some people have issue connecting. LEMON is investigating. For now, use Firefox or change your DNS server)

Or, hide this message: temporarily or permanently

A/C Compressor Control Circuit Diagnosis

Steps 1 - 10:




Steps 11 - 18:




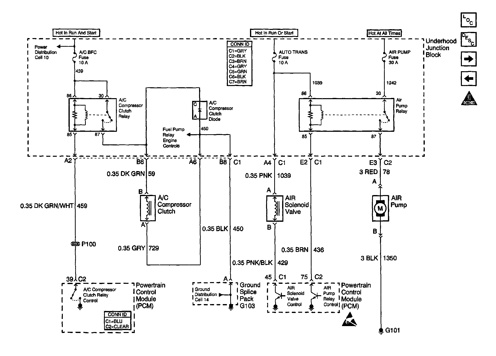
Power, Ground, Air And A/C Compressor Clutch:






CIRCUIT DESCRIPTION
When A/C is selected through the HVAC controller a signal is supplied to the powertrain Control Module (PCM) through the Class II serial data circuit. The A/C relay is controlled through the PCM. The PCM monitors the A/C refrigerant pressure. If the A/C refrigerant pressure, and engine operating conditions are within a specific calibrated acceptable ranges the PCM will enable the A/C relay. This is accomplished by providing a ground path for the A/C relay coil within the PCM. When the A/C compressor relay is enabled battery positive voltage is supplied to the compressor clutch coil.

The PCM will enable the A/C compressor clutch whenever the engine is running and the A/C has been requested, unless any of the following conditions are met:
^ Throttle more than 99 percent.
^ A/C pressure sensor more than 440 psi (4.6 Volts) or less than 35 psi (0.35 Volt) (as determined by the A/C pressure sensor).
^ Ignition voltage below 10.0 volts.
^ Engine speed more than 4700 RPM.
^ ECT more than 140°C (284°F).
^ AT less than 5°C (41°F).
^ Class II communication error between the HVAC controller and the PCM

DIAGNOSTIC AIDS
Inspect for the following conditions:

IMPORTANT: Remove any debris from the connector surfaces before servicing a component. Inspect the connector gaskets when diagnosing or replacing a component. Ensure that the gaskets are installed correctly. The gaskets prevent contaminate intrusion.

^ Poor terminal connection - Inspect the harness connectors for backed out terminals, improper mating, broken locks, improperly formed or damaged terminals, and faulty terminal to wire connection. Use a corresponding mating terminal to test for proper tension. Refer to Diagrams.
^ Damaged harness - Inspect the wiring harness for damage. If the harness inspection does not reveal a problem, observe the display on the scan tool while moving connectors and wiring harnesses related to the sensor. A change in the scan tool display may indicate the location of the fault. Refer to Diagrams.
^ PCM and engine grounds for clean and secure connections

If the DTC is determined to be intermittent, reviewing the Failure Records can be useful in determining when the DTC was last set.