Operation CHARM: Car repair manuals for everyone.
Manuals through 2025 now available!

Our trusted friends have launched a new website named LEMON, which has newer manuals. It also contains all the CHARM manuals.

LEMON is the spiritual successor to CHARM, I recommend you try it!

Link: lemon-manuals.la or lemon-manuals.org.ua

(Some people have issue connecting. LEMON is investigating. For now, use Firefox or change your DNS server)

Or, hide this message: temporarily or permanently

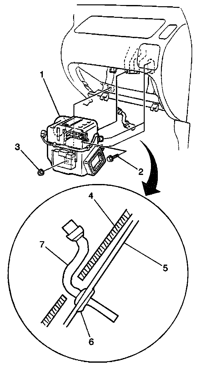
Evaporator Core: Service and Repair

EVAPORATOR CORE REPLACEMENT

REMOVAL PROCEDURE




1. Discharge and recover the refrigerant. Service and Repair
Disable the Supplemental Inflatable Restraint (SIR) system. Refer to Disabling the SIR System in Restraint Systems.

CAUTION: Refer to Battery Disconnect Caution in Service Precautions.

2. Disconnect the negative battery cable.
3. Remove the blower case.
4. Disconnect the electrical connector of the A/C compressor control module.
5. Disconnect the electrical connector of the refrigerant temperature sensor.
6. Remove the refrigerant inlet and the outlet pipes from the evaporator case (1).
7. Remove the drain hose (7) from the evaporator case.
8. Remove the following items from the vehicle:
^ Two mounting bolts (2)
^ One nut (3)
^ The evaporator case




9. Release the 2 lower lock tabs from the A/C compressor control module (2). Slide the A/C compressor control module upward in order to remove the A/C compressor control module from the evaporator case.
10. Disengage the retaining clips (1) in order to separate the two halves of the evaporator case.




11. Separate the two halves of the evaporator case (1,3).
12. Remove the evaporator core (2) from the evaporator case.

INSTALLATION PROCEDURE




1. Install the evaporator core (2) to the evaporator case.
2. Secure the upper half (3) and the lower half (1) with the retaining clips.




3. Install the A/C compressor control module to the evaporator case.
4. Install the evaporator case (1) to the vehicle.
5. Secure the evaporator case with the 2 mounting bolts (2) and with the nut (3).
6. Install the drain hose (7) to the evaporator case.
7. Install the refrigerant inlet and the outlet pipes to the evaporator case.
8. Connect the electrical connector of the A/C compressor control module.
9. Connect the electrical connector of the A/C evaporator temperature sensor.
10. Install the blower case.
11. Enable the SIR system.
12. Connect the negative battery cable.
13. Evacuate and recharge the A/C system. Refer to Refrigerant Recovery and Recharging. Service and Repair
14. Operate the A/C system, and inspect the A/C system for refrigerant leaks.