Operation CHARM: Car repair manuals for everyone.
Manuals through 2025 now available!

Our trusted friends have launched a new website named LEMON, which has newer manuals. It also contains all the CHARM manuals.

LEMON is the spiritual successor to CHARM, I recommend you try it!

Link: lemon-manuals.la or lemon-manuals.org.ua

(Some people have issue connecting. LEMON is investigating. For now, use Firefox or change your DNS server)

Or, hide this message: temporarily or permanently

Diagnostic System Check

Diagnostic Chart:




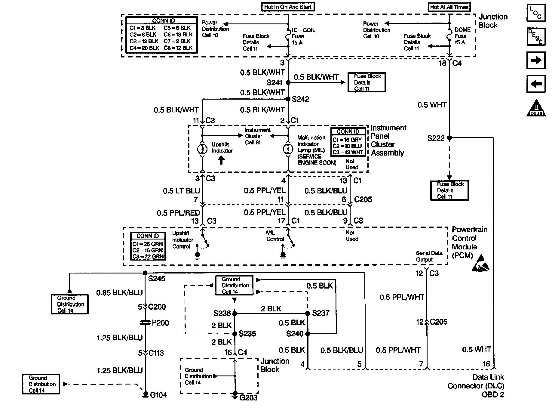
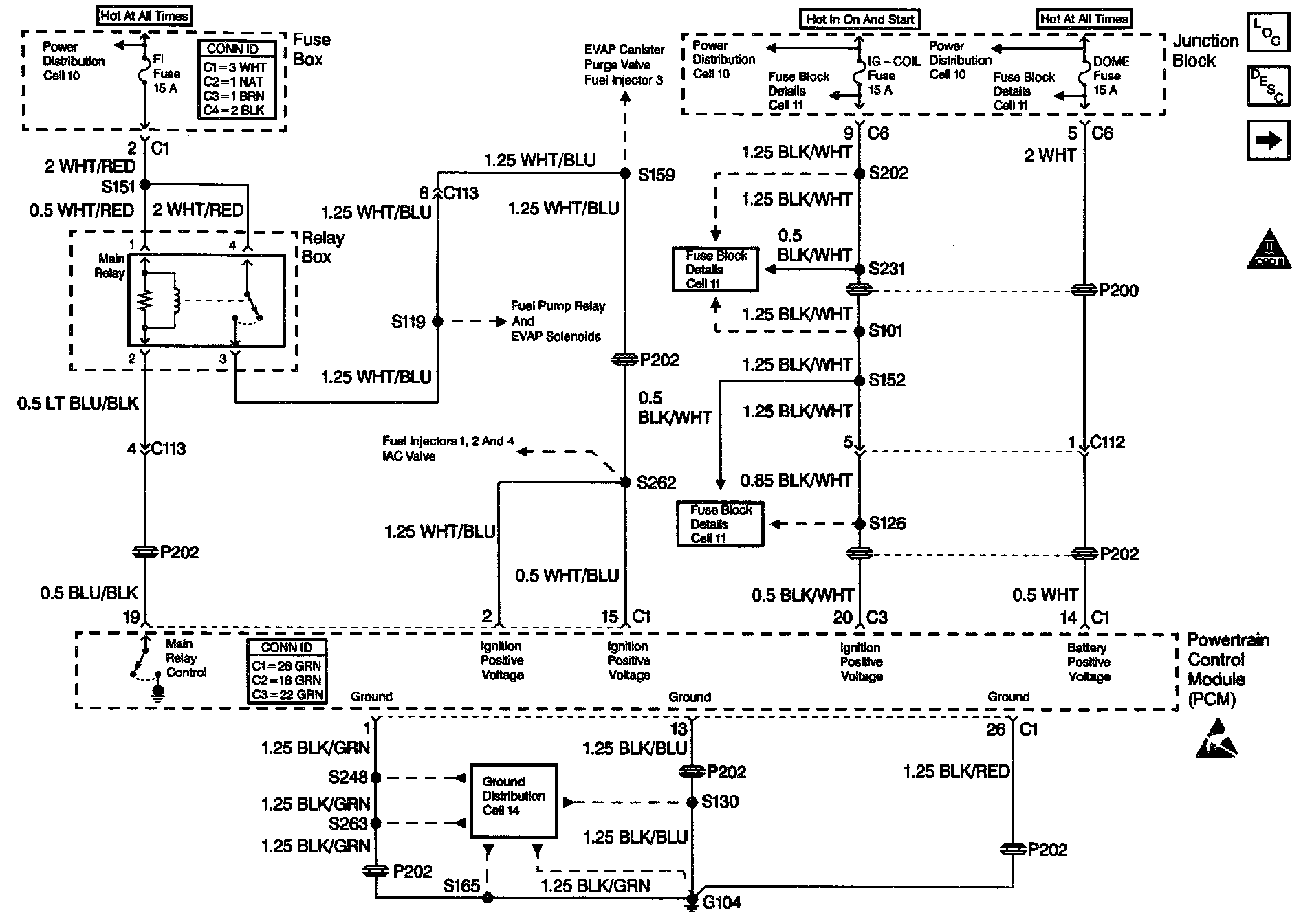
Engine Controls Schematics: Power And Ground:




Engine Controls Schematics: MIL And DLC:






CIRCUIT DESCRIPTION
The Powertrain OBD System Check is an organized approach to identifying a problem that is created by an engine control system malfunction. The Powertrain OBD System Check is the starting point for any diagnosis of a driveability concern. The system check directs the service technician to the next logical step in diagnosing the concern. Understanding the table and using the table correctly reduces diagnostic time and prevents the unnecessary replacement of parts.

DO NOT perform this system check if a driveability concern is not present.

DIAGNOSTIC AIDS
Inspect all of the related wiring and all of the connections, including the connections at the PCM. Wiring problems may cause an intermittent malfunction. Check the terminals for the following conditions:
^ Damage
^ Corrosion
^ Pushed out terminals

TEST DESCRIPTION
The numbers below refer to the step numbers in the diagnostic table.
1. Do not perform the Powertrain OBD system check unless one of the concerns that is noted below is present. Failure to follow this procedure could lead to misdiagnosis of the system.
2. The MIL should be on steady with the ignition ON and with the engine OFF.
3. This step checks if the PCM and the scan tool can communicate.
4. This step checks if the vehicle will start.
5. Before proceeding to the applicable DTC table, consider all of the items below.
^ Check for related service bulletins.
^ Refer to the applicable DTC tables, in the following order, if the scan tool saves multiple DTCs.
1. PCM error DTCs
2. System voltage DTCs
3. Component level DTCs
4. System level DTCs
^ Failures of type B DTCs will save in Last Test Failed, but not in History. The scan tool will indicate a current fault if the MIL is ON and the History displays a DTC.
^ Transmission DTCs are not located in this section. Refer to Automatic Transmission.
^ If the scan tool is unable to record DTC information, then record the DTC information on paper.
6. This step detects a MIL circuit that is shorted to ground.
7. Before proceeding to Symptoms or to Components, check for related service bulletins. Use a scan tool that is functioning correctly with the diagnostic tables. Connect a scan tool that is operating incorrectly to another vehicle in order to verify operation. Before beginning any other diagnostic procedure, correct all serial data communications. The OBD II serial data may not transmit if the system voltage is less than 9.0 volts or more than 16.0 volts. DO NOT clear DTCs unless directed by a diagnostic procedure. Clearing DTCs also clears the important Freeze Frame and the important Failure Record data.