Operation CHARM: Car repair manuals for everyone.
Manuals through 2025 now available!

Our trusted friends have launched a new website named LEMON, which has newer manuals. It also contains all the CHARM manuals.

LEMON is the spiritual successor to CHARM, I recommend you try it!

Link: lemon-manuals.la or lemon-manuals.org.ua

(Some people have issue connecting. LEMON is investigating. For now, use Firefox or change your DNS server)

Or, hide this message: temporarily or permanently

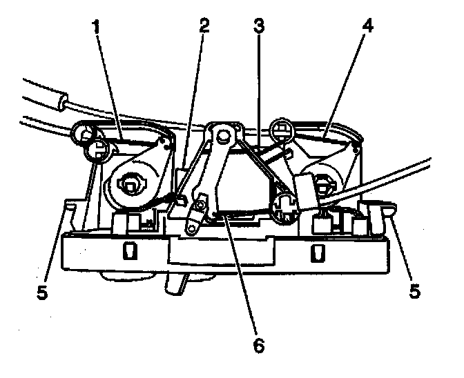
Control Assembly Replacement

REMOVAL PROCEDURE




1. Remove the center console trim bezel.
2. Remove the two screws (5) and pull the HVAC control unit (4) forward.




3. Disconnect the blower speed selector switch electrical connector (2).
4. Disconnect the A/C switch electrical connector (3).
5. Remove the following from the HVAC control unit:
^ The temperature control cable (1)
^ The mode control cable (4)
^ The fresh/recirc control cable (6)
6. Remove the HVAC control unit.

INSTALLATION PROCEDURE




1. Install the HVAC control unit.
2. Install the following to the HVAC control unit:
^ The temperature control cable (1)
^ The mode control cable (4)
^ The fresh/recirc control cable (6)




3. Connect the blower speed selector switch electrical connector (2).
4. Connect the A/C switch electrical connector (3).
5. Install the HVAC control unit (4) to the instrument panel. Secure with the two screws (5).
6. Install the center console trim bezel.
7. Adjust the cables as necessary, refer to the following:
^ Temperature Control Cable Adjustment. Adjustments
^ Vent Control Cable Adjustment. Adjustments
^ Mode Control Cable Adjustment. Adjustments