Operation CHARM: Car repair manuals for everyone.
Manuals through 2025 now available!

Our trusted friends have launched a new website named LEMON, which has newer manuals. It also contains all the CHARM manuals.

LEMON is the spiritual successor to CHARM, I recommend you try it!

Link: lemon-manuals.la or lemon-manuals.org.ua

(Some people have issue connecting. LEMON is investigating. For now, use Firefox or change your DNS server)

Or, hide this message: temporarily or permanently

Scan Tool Testing and Procedures

Diagnostic Chart 1 Of 2:




Diagnostic Chart 2 Of 2:




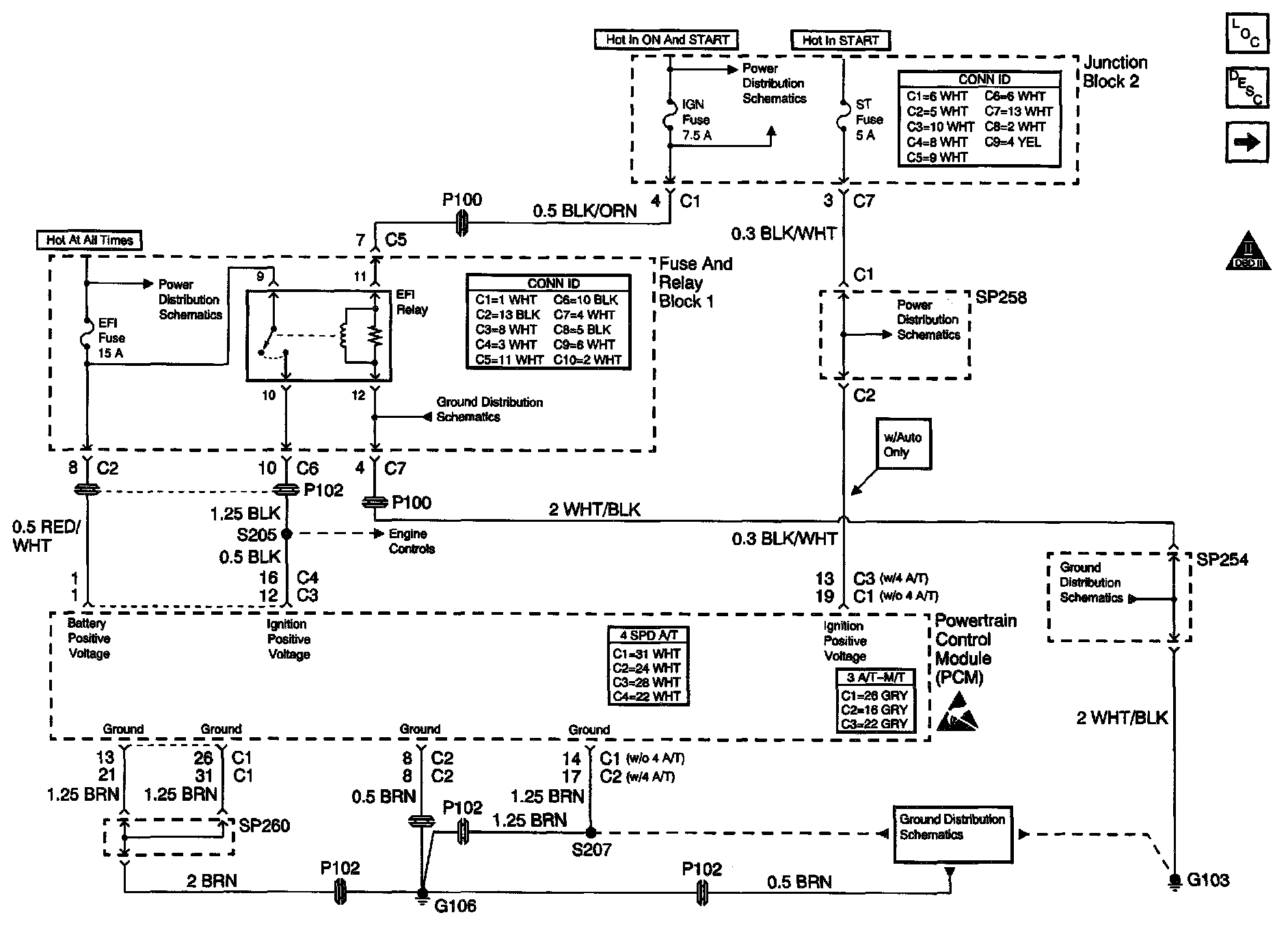
Engine Controls Schematics: MIL And DLC:




Engine Controls Schematics: Power And Ground:






CIRCUIT DESCRIPTION
The provision for communicating with the powertrain control module (PCM) is the Data Link Connector (DLC). The DLC is located under the instrument panel. The DLC is used to link a scan tool to the PCM serial data stream. Some common uses of the scan tool are listed below:
^ Identifying the stored Diagnostic Trouble Codes (DTCs)
^ Reading the serial data stream
^ Clearing the DTCs
^ Storing the Freeze Frame data

DIAGNOSTIC AIDS
Some scan tools may require an external power supply. Make sure your scan tool is using the correct power feed.

Ensure that the correct application (model year, carline, VIN code) has been selected on the scan tool. If communications are still not established, try the scan tool on another vehicle in order to ensure that the scan tool or the connecting cables are not the cause of the malfunction. Always try the scan tool on a vehicle that uses the same DLC terminal for serial data communication.

Any circuitry that is suspect to an intermittent complaint should be thoroughly inspected for the following:
^ Backed-out terminals
^ Improper mating of terminals
^ Broken electrical connector locks
^ Improperly formed or damaged terminals
^ Faulty terminal-to-wiring connections
^ Physical damage to the wiring harness
^ A broken conductor inside the wire insulation
^ Corrosion of the electrical connections, the splices, or the terminals

TEST DESCRIPTION
The numbers below refer to the step numbers in the diagnostic table.
5. This step checks whether the scan tool can communicate with other control modules on the vehicle. If the scan tool can communicate with the antilock brake system control module, the Brake Pressure Modulator Valve (BPMV), then the DLC ground circuit (terminal 4) and the DLC ignition positive voltage circuit (terminal 16) are OK.
6. This step checks for an open PCM-to-splice pack serial data circuit or for a defective PCM.
7. This step checks for an open/shorted to ground circuit, a shorted to battery positive circuit, or for a defective scan tool.
8. The modules supply a low current (about 1.85 mA) voltage on the serial data circuit. The normal circuit low current will NOT illuminate a test lamp. If the circuit is shorted to battery positive the higher current will illuminate the test lamp.
11. The scan tool may be damaged by high current flow on the serial data circuit at DLC terminal 7. Check the scan tool for proper operation on a known good vehicle that uses terminal 7 of the DLC for serial data communication.
14. Possible causes of the open circuit are an open OBD fuse, an open circuit, or no power being supplied to the OBD fuse.