Operation CHARM: Car repair manuals for everyone.
Manuals through 2025 now available!

Our trusted friends have launched a new website named LEMON, which has newer manuals. It also contains all the CHARM manuals.

LEMON is the spiritual successor to CHARM, I recommend you try it!

Link: lemon-manuals.la or lemon-manuals.org.ua

(Some people have issue connecting. LEMON is investigating. For now, use Firefox or change your DNS server)

Or, hide this message: temporarily or permanently

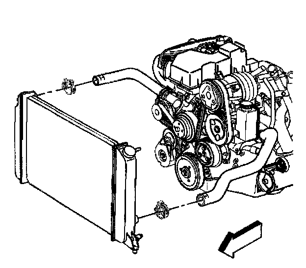
Radiator Hose: Service and Repair


Removal Procedure





Caution: As long as there is pressure in the cooling system, the temperature can be considerably higher than the boiling temperature of the solution in the radiator without causing the solution to boil. Removal of the pressure cap while the engine is hot and pressure is high will cause the solution to boil Instantaneously - possibly with explosive force - spewing the solution over the engine, fenders and the person removing the cap.

1. Remove the coolant from the radiator so that the level is below the hoses being removed. Refer to Draining and Filling Cooling System.
2. Remove the air inlet duct. Refer to Air Cleaner Intake Duct Replacement.
3. Loosen the radiator hose clamps.
4. Disconnect the radiator hoses from the radiator.
5. Disconnect the upper radiator inlet hose from the coolant outlet.





6. Disconnect the lower radiator outlet hose from water pump.

Installation
Procedure






Important: The 2.2L engine uses a spring-type (constant tension) clamp at the radiator hose connections. Install hoses on dry, unpainted surfaces in order to ensure proper sealing.

1. Place the radiator hose clamps loosely, on the ends of the hoses.
2. Connect the radiator hoses to the radiator.





3. Connect the radiator outlet hose to the water pump.
Connect the radiator inlet hose to the coolant outlet.

Notice: Refer to Fastener Notice in Service Precautions.

4. If service type radiator hose clamps are used:

^ Tighten the radiator hose clamps to 2.5 Nm (22 inch lbs.).

5. Refill the cooling system to the proper level. Refer to Draining and Filling Cooling System.
6. Install the air inlet duct. Refer to Air Cleaner Intake Duct Replacement.
7. Inspect the cooling system for leaks. Refer to Cooling System Leak Testing (On-Vehicle) or Cooling System Leak Testing (Off-Vehicle).