Operation CHARM: Car repair manuals for everyone.
Manuals through 2025 now available!

Our trusted friends have launched a new website named LEMON, which has newer manuals. It also contains all the CHARM manuals.

LEMON is the spiritual successor to CHARM, I recommend you try it!

Link: lemon-manuals.la or lemon-manuals.org.ua

(Some people have issue connecting. LEMON is investigating. For now, use Firefox or change your DNS server)

Or, hide this message: temporarily or permanently

Condenser HVAC: Service and Repair

CONDENSER REPLACEMENT

REMOVAL PROCEDURE

IMPORTANT: When installing a new condenser, add 20-30 ml (0.7-1.0 ft oz) of refrigerant oil to the refrigeration system.




1. Discharge and recover the refrigerant. Refer to Refrigerant Recovery and Recharging. Service and Repair
2. Remove the front grille.
3. Remove the front bumper fascia.
4. Remove the 2 bolts and the bumper fascia brace.

IMPORTANT: Cap the refrigerant openings in order to prevent moisture and dint from entering the system.

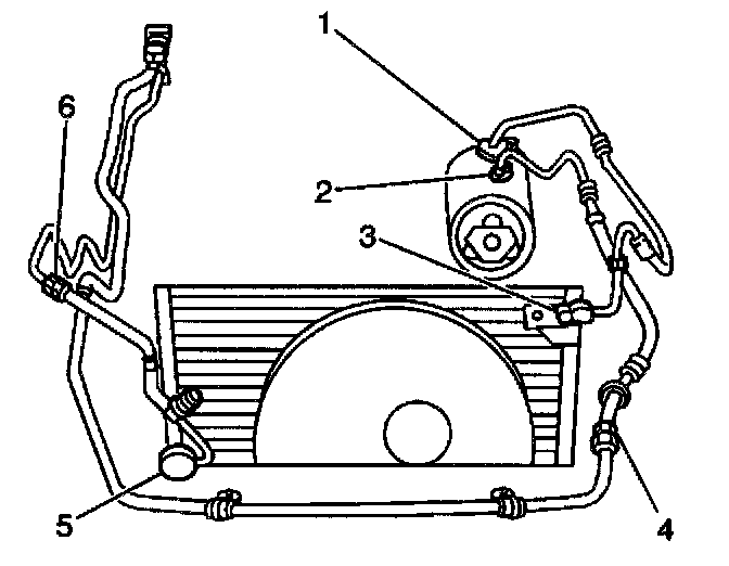
5. Remove the 1 bolt and the condenser inlet tube (1) from the condenser.




6. Remove the condenser outlet tube (6).




7. Disconnect the [1][2]condenser fan electrical connector (2).
8. Disconnect the refrigerant pressure sensor electrical connector (1).




9. Remove the 4 condenser mounting bolts and lower the condenser with the fan out of the vehicle.




10. Remove the 4 nuts (3) and the [1][2]condenser fan from the condenser.

INSTALLATION PROCEDURE




1. Install the [1][2]condenser fan to the condenser. Secure with the 4 nuts (3).

NOTE: Refer to Fastener Notice in Service Precautions.




2. Install the condenser with the fan to the vehicle and secure with the 4 mounting bolts.

Tighten
Tighten the condenser mounting bolts to 20 N.m (15 lb ft).




3. Install new O-rings lubricated with mineral base 525 viscosity refrigerant oil to the condenser fittings.
4. Connect the condenser outlet tube (6).

Tighten
Tighten the condenser outlet tube fitting to 35 N.m (26 lb ft).




5. Install the condenser inlet tube (1). Secure with the bolt.

Tighten
Tighten the bolt to 25 N.m (19 lb ft).




6. Connect the [1][2]condenser fan electrical connector (2).
7. Connect the refrigerant pressure sensor electrical connector (1).
8. Install the bumper fascia brace. Secure with the 2 bolts.
9. Install the front bumper fascia.
10. Install the front grille.
11. Evacuate and recharge the air conditioning system. Refer to Refrigerant Recovery and Recharging. Service and Repair
12. Operate the A/C system and test for refrigerant leaks. Refer to Leak Testing. Leak Testing