Operation CHARM: Car repair manuals for everyone.
Manuals through 2025 now available!

Our trusted friends have launched a new website named LEMON, which has newer manuals. It also contains all the CHARM manuals.

LEMON is the spiritual successor to CHARM, I recommend you try it!

Link: lemon-manuals.la or lemon-manuals.org.ua

(Some people have issue connecting. LEMON is investigating. For now, use Firefox or change your DNS server)

Or, hide this message: temporarily or permanently

Removal and Replacement

Removal Procedure

Caution: Refer to Battery Disconnect Caution Service Precautions.





1. Disconnect the negative battery cable.
2. Remove the rear console screws (3,4) and the console.
3. Remove the center console screws (1,6) and the clips (2,5).
4. Remove the center front console while disconnecting the electrical connector.





5. Remove the throttle body bolt and bracket (2).
6. Remove the T.V. cable from the throttle body linkage and unroute the cable from the upper, part of the engine.
7. Remove the fluid indicator.





8. Remove the upper starter bolts (3) and the starter nuts.
9. Set aside the ground wire (1).
10. Raise and suitably support the vehicle. Refer to Vehicle Lifting.
11. Remove the rear propeller shaft. Refer to Propeller Shaft Replacement - Rear.





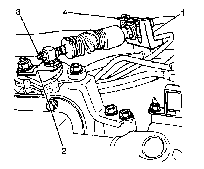
12. Remove the shift cable retainer (4) and the cable (3) from the cable bracket (1).
13. Remove the shift cable from the manual lever (2).
14. Remove the shift cable bracket bolts and the bracket from the transmission.





15. Remove the fluid indicator tube bolt (2).
16. Remove the fluid indicator tube and the O-ring seal





17. Remove the bolts (2) which secure the right side transmission to the engine brace. Remove the brace (3).





18. Remove the flywheel inspection cover bolts (2) and the cover (1).
19. Remove the torque converter bolts.
20. Remove the lower bell housing bolts.





21. Remove the cooler hoses (1,2) and the clamps (5,6) from the transmission pipes (3,4).





22. Remove the vehicle speed sensor bolt (1) and the vehicle speed sensor (2).





23. Remove the 10 crossmember bolts (3,5,6) and the crossmember (7).
24. Disconnect the vent tubes.
25. Remove the transmission wire harness, the retainer bolt, and the retainer.
26. Remove the upper bell housing bolts.
27. Remove the transmission


Installation Procedure





1. Install the transmission with the support of a hydraulic jack.

Notice: Refer to Fastener Notice Service Precautions.

2. Install upper bell housing bolts (1).
^ Tighten the bolts to 85 Nm (62 ft. lbs.).





3. Install the transmission wire harness, the retainer, and the bolt.
4. Connect the electrical connectors and the vent tubes.
5. Install the crossmember (7) and the crossmember bolts (3,5,6).
^ Tighten the crossmember bolts to 60 Nm (44 ft. lbs.).
6. Install the ground wire.
^ Tighten the ground wire bolt to 7 Nm (62 inch lbs.).





7. Install the VSS (2) and the VSS bolt (1).
8. Remove the jack from the transmission.





9. Install the cooler hoses (1,2) and the clamps (5,6) to the transmission cooler pipes (3,4).





10. Install the lower bellhousing nuts.
^ Tighten the lower bellhousing nuts to 85 Nm (62 ft. lbs.).
11. Install the torque converter bolts.
^ Tighten the torque converter bolts to 50 Nm (37 ft. lbs.).
12. Install the flywheel inspection cover plate (1) and the bolts (2).
^ Tighten the flywheel inspection cover plate bolts to 10 Nm (89 ft. lbs.).





13. Install the engine brace (3) and the bolts (2) to the right side of the transmission.
^ Tighten the engine brace bolts to 60 Nm (44 ft. lbs.).





14. Install the starter and the lower bolt.
^ Tighten the starter bolt to 30 Nm (22 ft. lbs.).
15. Connect the starter electrical connections (1,3).
16. Install the rear propeller shaft. Refer to Propeller Shaft Replacement - Rear.





17. Install the fluid indicator tube (1), the bolt (2), and the O-ring seal.





18. Install the shift cable bracket and the bolts.
^ Tighten the shift cable bolts to 7 Nm (62 ft. lbs.).
19. Install the shift cable to manual lever (2).
20. Install the shift cable and retainer (4) to the cable (3) bracket (1).





21. Lower the vehicle.
22. Install the upper starter bolt, the nut, and the ground wire.
^ Tighten the upper starter bolt to 30 Nm (22 ft. lbs.).
23. Install the fluid level indicator.





24. Route the T.V. cable to the upper engine.
25. Install the throttle body and bracket (2) bolt (Adjust the T.V. cable as necessary).





26. Install the center front console while connecting the electrical connectors.
27. Install the center rear console. Install the screws (1,3,4,6) and the clips (2,5).
28. Adjust the shift cable as necessary.
29. Refill the transmission fluid and inspect for leaks. Refer to Transmission Fluid Checking Procedure.



30. Test the transmission for proper installation.