Operation CHARM: Car repair manuals for everyone.
Manuals through 2025 now available!

Our trusted friends have launched a new website named LEMON, which has newer manuals. It also contains all the CHARM manuals.

LEMON is the spiritual successor to CHARM, I recommend you try it!

Link: lemon-manuals.la or lemon-manuals.org.ua

(Some people have issue connecting. LEMON is investigating. For now, use Firefox or change your DNS server)

Or, hide this message: temporarily or permanently

Shifter A/T: Service and Repair

Removal Procedure

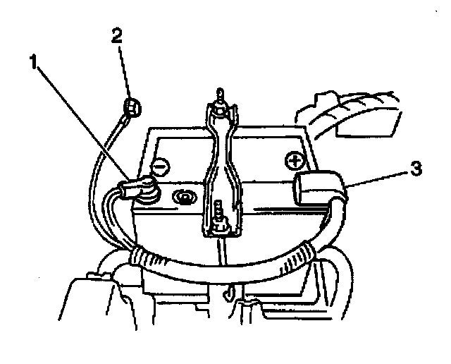
Caution: Refer to Battery Disconnect Caution Service Precautions





1. Disconnect the negative battery cable (1)





2. Put the manual selector in the NEUTRAL position.
3. Remove the 4 screws (1,6,3,4) and the 2 plastic retaining clips (2,5) from the console.
4. Remove the console.





5. Remove the shift lock solenoid connector (3) from under the carpet.
6. Remove the shift indicator lamp (1).
7. Remove the 4 bolts from the manual selector from the floor.





8. Raise the vehicle. Support the vehicle. Refer to Vehicle Lifting.
^ Remove the following items from the selector lever:
^ The retaining clip (1)
^ The washer
^ The shift select cable (4)





9. Remove the select cable locknut (1) and the shift select cable from the manual shift lever (4).





10. Remove the shift select cable (4) from the vehicle.
11. Inspect the shift select cable for fraying or kinks.
12. Lower the vehicle.
13. Replace the cable as necessary.
14. Remove the 2 knob screws.
15. Remove the knob.
16. Remove the select indicator assembly.
17. Remove the select lever assembly.


Installation Procedure





1. Install the select lever assembly.
2. Install the select indicator assembly.
3. Install the knob.
4. Install the 2 knob screws.
5. Put the manual shift lever (3) in the LOW position.





6. Install the shift select cable (4) into the shift select cable bracket at the transmission.
7. Secure the shift select cable (4).





8. Install the shift select cable into the manual shift lever while moving the manual shift lever back to the NEUTRAL position.

Notice: Refer to Fastener Notice Service Precautions.

Important: Do not fully tighten the locknut.

9. Secure the shift select cable with the select cable locknut (3).
^ Tighten the shift select cable locknut to 7 Nm (62 inch lbs.).
10. Lower the vehicle. Make it possible to access both the manual selector and the manual shift lever.





11. Install the shift select cable (4) to the selector [ever.
12. Secure the washer with the retaining clip (1).
13. Inspect both ends of the shift select cable to ensure that no cable deflection exists.
14. Lower the vehicle.
15. Install the manual selector to the floor.
16. Secure the manual selector to the floor with the 4 bolts.
^ Tighten the manual selector bolts to 18 Nm (13 ft. lbs.).





17. Install the shift indicator lamp (1).
18. Install the shift lock solenoid electrical connector (3) under the carpet.





19. Install the console box to the floor.
20. Install the 4 screws (1,3,4,6) and the 2 plastic retaining clips.
21. Put the manual selector in the Park position.
22. Connect the negative battery cable.