Operation CHARM: Car repair manuals for everyone.
Manuals through 2025 now available!

Our trusted friends have launched a new website named LEMON, which has newer manuals. It also contains all the CHARM manuals.

LEMON is the spiritual successor to CHARM, I recommend you try it!

Link: lemon-manuals.la or lemon-manuals.org.ua

(Some people have issue connecting. LEMON is investigating. For now, use Firefox or change your DNS server)

Or, hide this message: temporarily or permanently

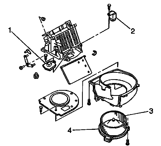
Blower Motor: Service and Repair

BLOWER MOTOR AND FAN REPLACEMENT

REMOVAL PROCEDURE

CAUTION:
^ When you are performing service on or near the SIR components or the SIR wiring, you must disable the SIR system. Refer to Disabling the SIR System. Failure to follow the correct procedure could cause air bag deployment, personal injury, or unnecessary SIR system repairs.
^ Refer to Battery Disconnect Caution in Service Precautions.





1. Disconnect the negative battery cable.
2. Disconnect the blower motor electrical connector.
3. Remove the PCM.
4. Remove 3 screws and the blower motor and fan (4) from the blower case.
5. If necessary to remove the blower case, refer to Heater Case Replacement. Heater Case/Cover Replacement

INSTALLATION PROCEDURE




1. Install the blower motor and fan (4) to the blower case. Secure the blower motor with 3 screws.
2. Install the PCM.
3. Connect the blower motor electrical connector.
4. Connect the negative battery cable.