Operation CHARM: Car repair manuals for everyone.
Manuals through 2025 now available!

Our trusted friends have launched a new website named LEMON, which has newer manuals. It also contains all the CHARM manuals.

LEMON is the spiritual successor to CHARM, I recommend you try it!

Link: lemon-manuals.la or lemon-manuals.org.ua

(Some people have issue connecting. LEMON is investigating. For now, use Firefox or change your DNS server)

Or, hide this message: temporarily or permanently

EGR System Diagnosis

Diagnostic Chart (Part 1 Of 2):




Diagnostic Chart (Part 2 Of 2):




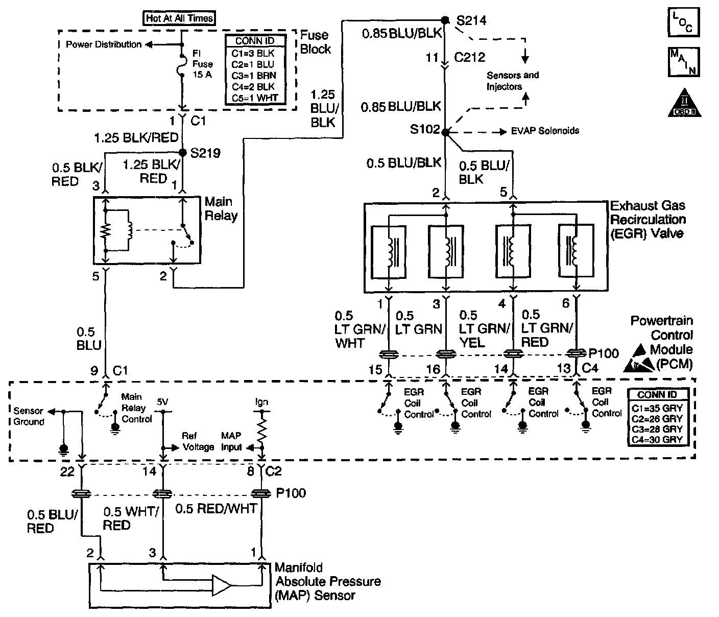
Schematic:




CIRCUIT DESCRIPTION
The Exhaust Gas Recirculation (EGR) system controls the formation of NOx (Oxides of Nitrogen) emissions by recirculating the exhaust gases into the combustion chamber. The EGR valve is a stepper motor design. The stepper motor moves a spring loaded plunger that controls the flow of exhaust gases into the intake manifold. The plunger movement is controlled by the Powertrain Control Module (PCM). By turning the stepper motor in different directions, the PCM controls the opening of the exhaust gas passage to the intake manifold. The stepper motor has four coil windings that control the motor's movement.

DIAGNOSTIC AIDS
Normal engine operating temperature is specified as 80°C (176°F) or above.

An intermittent malfunction may be caused by a fault in the EGR control system electrical circuits.

Thoroughly check any circuitry that is suspected of causing an intermittent complaint for the following conditions:
^ A poor connection
^ Rubbed through wire insulation
^ A broken wire inside the insulation
^ Physical damage to the wiring harness
^ Backed out terminals
^ Improper mating of terminals
^ Broken electrical connector locks
^ Improperly formed or damaged terminals
^ Improper terminal to wire connections
^ Corrosion of electrical connections, splices, or terminals

Refer to the following procedures in Diagrams:
^ Testing for Intermittent and Poor Connections
^ Circuit Testing
^ Testing for Intermittent and Poor Connections
^ Wiring Repairs
^ Connector Repairs

EGR Valve Terminal (Pin) Location:




Use the table in order to locate the correct terminals to test during diagnosis. The table layout corresponds to the pin location of the EGR valve electrical terminals.

TEST DESCRIPTION
The number below refer to the step number in the diagnostic table.
1. The Powertrain OBD System Check prompts the technician to complete some basic checks and store the Freeze Frame data on the scan tool if applicable. This creates an electronic copy of the data taken when the fault occurred. The information is then stored in the scan tool for later reference.
3. This step checks for an EGR valve that is leaking, stuck open, or turned ON at idle. Normal engine operating temperature is specified as 80°C (176°F) or above.
4. This step checks the operation of the EGR valve. The EGR duty cycle output control is disabled by the PCM when any DTCs are stored and when engine temperature is below 80°C (176°F).
8. This step checks for a physically stuck EGR valve or plugged EGR passages.
9. This step checks the ignition positive voltage supply to the EGR coils.
10. This step determines whether an electrical fault is the cause of the EGR valve staying open. A grounded EGR valve control circuit can cause the EGR valve to be open all the time.
12. This step checks for an EGR valve control circuit that is shorted to ground. If the circuit wiring is OK, a faulty PCM with an internally shorted circuit can cause the EGR valve to be open.