Operation CHARM: Car repair manuals for everyone.
Manuals through 2025 now available!

Our trusted friends have launched a new website named LEMON, which has newer manuals. It also contains all the CHARM manuals.

LEMON is the spiritual successor to CHARM, I recommend you try it!

Link: lemon-manuals.la or lemon-manuals.org.ua

(Some people have issue connecting. LEMON is investigating. For now, use Firefox or change your DNS server)

Or, hide this message: temporarily or permanently

Shift Interlock: Service and Repair

Repair Instructions
Removal Procedure

Caution: Refer to Battery Disconnect Caution Service Precautions.





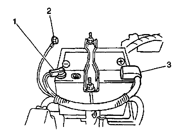
1. Disconnect the negative battery cable (1).





2. Remove the following from the floor:
^ The 4 screws (1,6,3,4)
^ The 2 plastic retaining clips (2,5)
^ The console box





3. Remove the following components from the steering column:
3.1. The Screws
3.2. the steering column upper cover
3.3. The steering column lower cover
4. Remove the bracket retaining screw (2) from the ignition switch.
5. Remove the interlock cable (1) from the ignition switch.
6. Remove the interlock cable nut.
7. Remove the interlock cable at the manual selector.
8. Remove the interlock cable (1), out from under the instrument panel.
9. Remove the interlock cable from under the carpet.
10. Remove the interlock cable from the interlock cable bracket at the manual selector.
11. Inspect the interlock cable for fraying or kinks.
12. Replace the cable as necessary.


Installation Procedure





1. Route the interlock cable under the carpet to the manual selector and under the instrument panel to the ignition switch.
2. Place the manual selector lever in the NEUTRAL position.
3. Turn the ignition switch to ACC.
4. Install the interlock cable end to the ignition switch (1).
5. Secure the interlock cable end with the bracket retaining screw.
6. Adjust and tighten the screw in order to get the correct tension.
7. Install the steering column upper cover and the steering column lower cover to the steering column.
8. Secure the covers to the steering column with the screws.
9. Install the interlock cable end.

Notice: Refer to Fastener Notice Service Precautions.

Important: After tightening the interlock cable nut, make sure that the ignition switch can be turned from ACC to LOCK and the key can be removed from the ignition with the manual selector lever shifted to the PARK position. Also verify that with the manual selector lever in any position other than PARK, the ignition switch CANNOT be turned form ACC to LOCK.

10. Tighten the interlock cable nut.
^ Tighten the nut to 13 Nm (115 ft. lbs.).





11. Install the console box to the floor.
12. Secure the console box with 2 plastic retaining clips (2,5) and 4 screws (1,6,3,4).
13. Connect the negative battery cable.