Operation CHARM: Car repair manuals for everyone.
Manuals through 2025 now available!

Our trusted friends have launched a new website named LEMON, which has newer manuals. It also contains all the CHARM manuals.

LEMON is the spiritual successor to CHARM, I recommend you try it!

Link: lemon-manuals.la or lemon-manuals.org.ua

(Some people have issue connecting. LEMON is investigating. For now, use Firefox or change your DNS server)

Or, hide this message: temporarily or permanently

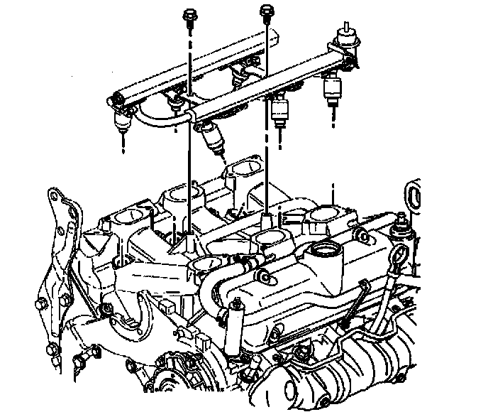
Intake Manifold Replacement - Lower




Removal Procedure

Important: The fuel injector wiring harness connectors must be connected to their respective fuel injectors. Failure to connect the fuel injector connectors to their respective fuel injectors may result in excessive exhaust emissions and poor engine performance.





1. Remove the upper intake manifold. Refer to Intake Manifold Replacement (Upper) or Intake Manifold Replacement (Lower).
2. Remove the engine left side valve rocker arm cover. Refer to Valve Rocker Arm Cover Replacement (Engine Left Side) or Valve Rocker Arm Cover Replacement (Engine Right Side).
3. Remove the engine right side valve rocker arm cover. Refer to Valve Rocker Arm Cover Replacement (Engine Left Side) or Valve Rocker Arm Cover Replacement (Engine Right Side).
4. Disconnect the wiring harness from the engine coolant temperature (ECT) sensor.

Important: Use masking tape or another appropriate method in order to identify each fuel injector wiring harness connector cylinder number.





5. Disconnect and remove the fuel injector, manifold air pressure (MAP) and ECT wiring harness.
6. Remove the fuel feed and return pipe from the fuel injector rail. Refer to Fuel Hose/Pipes Replacement (Engine Compartment) (Engine pipes) in Computers and Controls.





7. Remove the fuel injector rail. Refer to Fuel Rail Assembly Replacement in Computers and Controls.

Important: Do NOT disconnect the power steering pipes or hoses from the power steering pump.

8. Remove the power steering pump from the front engine cover and reposition aside. Refer to Power Steering Pump Replacement in Steering and Suspension.
9. Disconnect the heater inlet pipe with heater hose from the lower intake manifold and reposition aside. Refer to Heater Pipe Replacement - Inlet in Heating and Air Conditioning.
10. Disconnect the inlet radiator hose from the engine. Refer to Radiator Hose Replacement - Inlet in Cooling System.





11. Disconnect the thermostat bypass hose from the lower intake manifold pipe.





12. Remove the lower intake manifold bolts.





13. Remove the lower intake manifold.
14. Loosen the valve rocker arms and remove the push rods. Refer to Valve Rocker Arm and Push Rod Removal.





15. Remove the lower intake manifold gaskets and seals.
16. Clean the lower intake manifold gasket and seal surfaces on the cylinder heads and the engine block.
17. Clean and inspect the lower intake manifold. Refer to Valve Rocker Arm and Push Rod Removal.
18. If you are replacing the lower intake manifold, remove the ECT sensor. Refer to Engine Coolant Temperature (ECT) Sensor Replacement in Computers and Controls.
19. If you are REPLACING the lower intake manifold, remove the thermostat. Refer to Thermostat Replacement in Cooling System.

Installation Procedure





1. Apply 8 - 12-mm (0.08 - 0.11-inch) bead of RTV Sealer GM P/N 12345739 or equivalent on each ridge where front and rear of the lower intake manifold contact the engine block (1).
2. Install the lower intake manifold gaskets.
3. Install the push rods and tighten the valve rocker arms. Refer to Valve Rocker Arm and Push Rod Installation.





4. Install the lower intake manifold.





5. Install NEW lower intake manifold bolts.

The torque specification is a 2-step process; tighten the vertical lower intake manifold bolts (the four middle ones) to 7 Nm (62 lb in). Tighten the diagonal lower intake manifold bolts (two on each end) to 7 Nm (62 lb in).Tighten the vertical lower intake manifold bolts (the four middle ones) to 13 Nm (115 lb in). Tighten the diagonal lower intake manifold bolts (two on each end) to 25 Nm (18 lb ft).






6. Connect the thermostat bypass hose to the lower intake manifold pipe.
7. Connect the inlet radiator hose from the engine. Refer to Radiator Hose Replacement - Inlet in Cooling System.





8. Connect the heater inlet pipe and heater hose to the lower intake manifold. Refer to Heater Pipe Replacement - Inlet in Heating and Air Conditioning.
9. Install the power steering pump to the front engine cover. Refer to Power Steering Pump Replacement in Steering and Suspension.





10. Install the fuel injector rail. Refer to Fuel Rail Assembly Replacement in Computers and Controls.
11. Connect the fuel feed and return pipe to the fuel injector rail. Refer to Fuel Hose/Pipes Replacement (Engine Compartment) (Engine pipes) in Computers and Controls.

Important: The fuel injector wiring harness connectors must be connected to their respective fuel injectors. Failure to connect the fuel injector connectors to their respective fuel injectors may result in excessive exhaust emissions and poor engine performance.





12. Install and connect the fuel injector, MAP and ECT wiring harness.





13. Install the wiring harness to the ECT sensor.
14. Install the engine right side valve rocker arm cover. Refer to Valve Rocker Arm Cover Replacement (Engine Left Side) or Valve Rocker Arm Cover Replacement (Engine Right Side).
15. Install the engine left side valve rocker arm cover. Refer to Valve Rocker Arm Cover Replacement (Engine Left Side) or Valve Rocker Arm Cover Replacement (Engine Right Side).
16. Install the upper intake manifold. Refer to Intake Manifold Replacement (Upper) or Intake Manifold Replacement (Lower).