Operation CHARM: Car repair manuals for everyone.
Manuals through 2025 now available!

Our trusted friends have launched a new website named LEMON, which has newer manuals. It also contains all the CHARM manuals.

LEMON is the spiritual successor to CHARM, I recommend you try it!

Link: lemon-manuals.la or lemon-manuals.org.ua

(Some people have issue connecting. LEMON is investigating. For now, use Firefox or change your DNS server)

Or, hide this message: temporarily or permanently

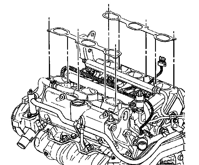
Upper Intake Manifold Replacement


Removal Procedure

Important: The fuel injector wiring harness connectors must be connected to their respective fuel injectors. Failure to connect the fuel injector connectors to their respective fuel injectors may result in excessive exhaust emissions and poor engine performance.





1. Drain the engine coolant from the cooling system. Refer to Draining and Filling Cooling System in Cooling System.
2. Remove the throttle body air inlet duct. Refer to Air Filter Element Replacement in Computers and Controls.
3. Remove the accelerator control and cruise control cables with bracket from the throttle body. Refer to Accelerator Controls Cable Replacement in Computers and Controls.
4. Disconnect the wiring harness connectors from the following throttle body components:
^ Throttle Position (TP) sensor
^ Idle Air Control (IAC) valve
5. Disconnect the engine left side spark plug wires. Refer to Spark Plug Wire Harness Replacement.
6. Disconnect the engine left side spark plug wire harness attachment clip. Refer to Spark Plug Wire Harness Replacement.
7. Disconnect the throttle body heater hoses. Refer to Throttle Body Heater Hose Replacement - Inlet and Throttle Body Heater Hose Replacement - Outlet in Cooling System.
8. Disconnect the vacuum hoses from the evaporative emission (EVAP) canister purge solenoid valve.
9. Remove the EVAP canister purge solenoid valve. Refer to EVAP Canister Purge Valve Replacement in Computers and Controls.





10. Remove the ignition coil bracket.





11. Disconnect the wiring harness from the manifold air pressure (MAP) sensor.





12. Disconnect the vacuum harness from the MAP sensor and the upper intake manifold.





13. Disconnect and remove the emission control vacuum harness.
14. Disconnect the vacuum brake booster hose from the upper intake manifold. Refer to Vacuum Brake Booster Hose Replacement in Brakes and Traction Control.
15. Disconnect the vacuum hose connections from the upper intake manifold.
^ heating, ventilation and air conditioning (HVAC) vacuum source hose
^ Fuel pressure regulator
16. Remove the exhaust gas recirculation (EGR) valve. Refer to EGR Valve Replacement in Computers and Controls.
17. Remove the MAP sensor and the bracket. Refer to MAP Sensor Replacement in Computers and Controls.





18. Remove the upper intake manifold studs and bolts.





19. Remove the upper intake manifold.





20. If you are REPLACING the intake manifold, remove the throttle body. Refer to Throttle Body Assembly Replacement in Computers and Controls.





21. Remove the upper intake manifold gasket.
22. Clean and inspect the upper intake manifold. Refer to Intake Manifold Clean and Inspect (Lower) or Intake Manifold Clean and Inspect (Upper).

Installation Procedure





1. If removed, install the throttle body. Refer to Throttle Body Assembly Replacement in Computers and Controls.





2. Install the upper intake manifold gasket.





3. Install the upper intake manifold.





4. Install the MAP sensor and the bracket. Refer to MAP Sensor Replacement in Computers and Controls.
5. Install the upper intake manifold studs and bolts. Refer to Intake Manifold Installation (Lower) or intake Manifold Installation (Upper).
6. Install the EGR valve. Refer to EGR Valve Replacement in Computers and Controls.
7. Connect the vacuum hose connections to the upper intake manifold.
^ Heater and air conditioning vacuum source hose
^ Fuel pressure regulator
8. Connect the vacuum brake booster hose to the upper intake manifold. Refer to Vacuum Brake Booster Hose Replacement in Brakes and Traction Control.
9. Install the MAP sensor and the bracket. Refer to MAP Sensor Replacement in Computers and Controls.





10. Install and connect the emission control vacuum harness.





11. Connect the vacuum hose to the MAP sensor and the upper intake manifold.





12. Connect the wiring harness to the MAP sensor.





13. Install the ignition coil bracket with the coils.
14. Install the EVAP canister purge solenoid valve. Refer to EVAP Canister Purge Valve Replacement in Computers and Controls.





15. Connect the vacuum hoses to the EVAP canister purge solenoid valve.
16. Connect the throttle body heater hoses. Refer to Throttle Body Heater Hose Replacement - Inlet and Throttle Body Heater Hose Replacement - Outlet in Cooling System.
17. Connect the engine left side spark plug wire harness attachment clip. Refer to Spark Plug Wire Harness Replacement.
18. Connect the engine left side spark plug wires. Refer to Spark Plug Wire Harness Replacement.
19. Connect the wiring harness connectors to the throttle body. Refer to Throttle Body Assembly Replacement in Computers and Controls.
20. Install the accelerator control and cruise control cables with bracket to the throttle body. Refer to Accelerator Controls Cable Replacement in Computers and Controls.
21. Install the throttle body air inlet duct. Refer to Air Filter Element Replacement in Computers and Controls.
22. Fill the cooling system with engine coolant. Refer to Draining and Filling Cooling System in Cooling System.